trinityamps.com

Trinity Amps Guitar Amp Forum
It is currently Tue Dec 02, 2025 12:13 pm

All times are UTC - 5 hours [ DST ]




Post new topic Reply to topic  [ 14 posts ] 
Author Message
PostPosted: Sun Sep 17, 2006 10:09 pm 
Offline
Novice
Novice
User avatar

Joined: Sat Apr 02, 2005 10:32 am
Posts: 122
Location: JAX, FL
I've got a new version of the sIII that put together. Between coco and I we've gone through a few names, but I think we've settled on calling it the sIII One, for a single channel sIII.

This amp is the result of several things.

1) I've wanted a mini-stack for a long time, but didn;t want a solid state head
2) I've wanted to hear an sIII in person
3) I had some Celestion Relic 30 hanging around

So I built the mini stack around the TMB channel of an sIII. I used the extra triode for a footswitchable boosted mode; fairly simple channel switching. The amp goes from a JTM-45 type clean to a full JCM-800 type roar.

Of course I used Trinity's wonderful new transformer set. I couldn't use their chassis, however, because I wanted it to be a mini-stack so I used BrownNote's chassis because it is only 14" wide. I did the rest myself. I used one watt carbon films and Sozo caps. Incidently I just learned that Trinity is now using Sozos for their amps and kits, which are very smooth sounding.

First the sIII TMB is not any more gain challenged than a MID 60'S 1987 50 WATT. The boosted channel gets nice and fat and big. A nice jump in distortion and volume for leads, even with the Master on 10!

Anyway, for those interested I uploaded a bunch of pics and a schematic to my gallery at 18watt.com.

http://www.18watt.com/modules.php?set_albumName=SIII-One-Single_Channel_wBoost&op=modload&name=Gallery&file=index&include=view_album.php

_________________
Richard Johnson
-------------------
Playing an insturment doesn't make you a musician, listening does


Top
 Profile  
 
 Post subject:
PostPosted: Sun Sep 17, 2006 11:33 pm 
Offline
Expert
Expert
User avatar

Joined: Sat Jun 11, 2005 6:34 pm
Posts: 746
Location: 31°45'32.69"S 115°46'51.29"E Perth, Australia
The stack looks great Richard and the cut down sIII would be great in a 1X12 combo, very portable.
Nigel


Top
 Profile  
 
 Post subject:
PostPosted: Mon Sep 18, 2006 9:43 pm 
Offline
Novice
Novice
User avatar

Joined: Sat Apr 02, 2005 10:32 am
Posts: 122
Location: JAX, FL
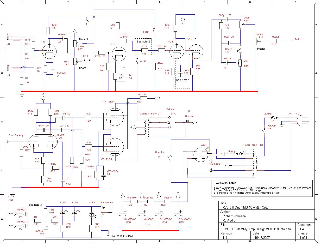
Well, it's not exactly "cut" down. It just uses the extra triode for a very usable second higher gain setting. BTW, I uploaded two new schematics for it with the current tweaks applied. One schematic is how I built it, with optos, and the other uses relays.

_________________
Richard Johnson
-------------------
Playing an insturment doesn't make you a musician, listening does


Top
 Profile  
 
 Post subject:
PostPosted: Mon Sep 18, 2006 10:47 pm 
Offline
Novice
Novice
User avatar

Joined: Sat Apr 02, 2005 10:32 am
Posts: 122
Location: JAX, FL
Here's the schematics...


As built with optos...

Attachment:
SIIIOneOpto.jpg
SIIIOneOpto.jpg [ 183.81 KiB | Viewed 16768 times ]


Alternate version with a DPDT relay...

Attachment:
SIIIOneRelay.jpg
SIIIOneRelay.jpg [ 175.78 KiB | Viewed 16768 times ]


Enjoy!

_________________
Richard Johnson
-------------------
Playing an insturment doesn't make you a musician, listening does


Top
 Profile  
 
 Post subject:
PostPosted: Tue Sep 19, 2006 6:16 am 
Offline
Holy Ghost
Holy Ghost
User avatar

Joined: Sun Mar 13, 2005 4:10 pm
Posts: 7519
Location: Canada
BTW. I linked this to the 18 watt.com discussion. Richard is having problems posting there while on vacation.

There is going to be a layout either from Richard / I will collaborate with him. My sIII standard board is 10.125 long.

rjgtr:

Yes there will be a layout. I only made a layout for the board for myself to build the prototype.

The board I used was 9.5" in length, so I think it will fit on a standard 18 watt board. The question is, how to layout the board for boost switching. If you use a second board like the BBQ relay board, then you can definitely fit it on an 18 watt TMB board with the PI in the V3 position, and maybe with only a few wiring changes. For use with the Optos, then you would need to redesign the board slightly. The board I used is actually the same depth as a standard board, but I use four rows of turrets to fit everything. I also use a central grounding bus on the board, which I've found convenient on my bigger amps.

_________________
Stephen
Web: www.trinityamps.com. Facebook: facebook.com/trinityamps. Twitter: @trinityamps


Top
 Profile  
 
 Post subject:
PostPosted: Tue Sep 19, 2006 11:01 pm 
Offline
Friend
Friend

Joined: Sun Apr 09, 2006 6:58 pm
Posts: 32
Location: Temecula, California
Richard,
Very nice work. I've been looking into using optos, so this will be some help to me. Thanks for sharing.


Top
 Profile  
 
 Post subject:
PostPosted: Thu Sep 21, 2006 12:42 pm 
Offline

Joined: Fri Sep 01, 2006 12:09 pm
Posts: 3
Location: The Nutmeg state
Rich,
Looks great! Any sound clips yet?

Jay


Top
 Profile  
 
 Post subject:
PostPosted: Fri Sep 22, 2006 6:29 pm 
Offline
Novice
Novice
User avatar

Joined: Sat Apr 02, 2005 10:32 am
Posts: 122
Location: JAX, FL
An sIII One layout is now available in my gallery at 18watt.com. Enjoy.

I hope to do some clips this weekend.

_________________
Richard Johnson
-------------------
Playing an insturment doesn't make you a musician, listening does


Top
 Profile  
 
 Post subject:
PostPosted: Sat Sep 23, 2006 10:36 pm 
Offline
Novice
Novice
User avatar

Joined: Sat Apr 02, 2005 10:32 am
Posts: 122
Location: JAX, FL
I did some playing this weekend and decided the boost was too radical. The amp became a bit uncontrollable, so I revoiced it a little. I've uploaded new schematics and layout. The schematic also includes a tweaker's table. I returned the sIII mode a little closer to an sIII but changed the gain dropping resistor composit value to be closer to 220k to give the sIII mode a little more range and have it balance with the boosted mode better.

_________________
Richard Johnson
-------------------
Playing an insturment doesn't make you a musician, listening does


Top
 Profile  
 
 Post subject:
PostPosted: Tue Sep 26, 2006 8:38 am 
Offline
Novice
Novice
User avatar

Joined: Sat Apr 02, 2005 10:32 am
Posts: 122
Location: JAX, FL
CLips are up at 18watt.com. Playing isn;t my best, but it will show you what the amp sounds like.

_________________
Richard Johnson
-------------------
Playing an insturment doesn't make you a musician, listening does


Top
 Profile  
 
 Post subject:
PostPosted: Tue Sep 26, 2006 9:55 pm 
Offline
Holy Ghost
Holy Ghost
User avatar

Joined: Sun Mar 13, 2005 4:10 pm
Posts: 7519
Location: Canada
rjgtr: Here's a few very quickly done clips - warts and all. They were recorded using an SM57 into a computer using Sonar. No effects or eq added. They should give a good idea of how the sIII One sounds.

First clip is a Les Paul. Tone and volume settings on 12:00 but the gain settings are full up. The first part of the lead is with slide and then it moves to standard lead. Lead is with the neck pickup, while the rhythm is all bridge pickup.

http://www.trinityamps.com/clips/sIII_O ... LP_hi2.mp3

Next clip is all medium settings with a strat. All controls at 12:00. The left channel is one guitar using the sIII mode. The right is another using the boosted mode.

http://www.trinityamps.com/clips/sIII_O ... Strat2.mp3

Here's another Clip with the Les Paul doing a slow blues. It uses lower gain settings, with the gain knobs on about 9:00. All the other controls are still at 12:00. The lead starts with the neck pickup and then moves to the bridge. Again no effects, just a 57 on the speaker.

http://www.trinityamps.com/clips/sIII_O ... blues2.mp3

_________________
Stephen
Web: www.trinityamps.com. Facebook: facebook.com/trinityamps. Twitter: @trinityamps


Top
 Profile  
 
 Post subject:
PostPosted: Fri Oct 20, 2006 11:04 pm 
Offline
Novice
Novice
User avatar

Joined: Sat Apr 02, 2005 10:32 am
Posts: 122
Location: JAX, FL
Did some small fixes to the Layout and schematics.

_________________
Richard Johnson
-------------------
Playing an insturment doesn't make you a musician, listening does


Top
 Profile  
 
 Post subject:
PostPosted: Sun Feb 17, 2008 8:44 pm 
Offline
Holy Ghost
Holy Ghost
User avatar

Joined: Sun Mar 13, 2005 4:10 pm
Posts: 7519
Location: Canada
Layout:

Attachment:
SIII_One_Layout.jpg
SIII_One_Layout.jpg [ 617.91 KiB | Viewed 16768 times ]


As built Opto Schematic:


Attachment:
SIIIOneOpto.jpg
SIIIOneOpto.jpg [ 183.81 KiB | Viewed 16768 times ]



Alternate Relay Schematic:

Attachment:
SIIIOneRelay.jpg
SIIIOneRelay.jpg [ 175.78 KiB | Viewed 16768 times ]

_________________
Stephen
Web: www.trinityamps.com. Facebook: facebook.com/trinityamps. Twitter: @trinityamps


Top
 Profile  
 
PostPosted: Wed Aug 04, 2010 3:55 pm 
Offline
Holy Ghost
Holy Ghost
User avatar

Joined: Sun Mar 13, 2005 4:10 pm
Posts: 7519
Location: Canada
Docs updated

_________________
Stephen
Web: www.trinityamps.com. Facebook: facebook.com/trinityamps. Twitter: @trinityamps


Top
 Profile  
 
Display posts from previous:  Sort by  
Post new topic Reply to topic  [ 14 posts ] 

All times are UTC - 5 hours [ DST ]


Who is online

Users browsing this forum: No registered users and 42 guests


You cannot post new topics in this forum
You cannot reply to topics in this forum
You cannot edit your posts in this forum
You cannot delete your posts in this forum
You cannot post attachments in this forum

Search for:
Jump to:  
Powered by phpBB® Forum Software © phpBB Group