Hi Guys,
I got my Triwatt amp kit and have been studying the manual multiple times before I start building. I have a lot guitar pedal experience and have only built one other amp which was the Tube Depot 5e3. That was pretty straight forward with a lot of hand holding step by step. This build is a bit more involved. So I'm still learning terminology and such.
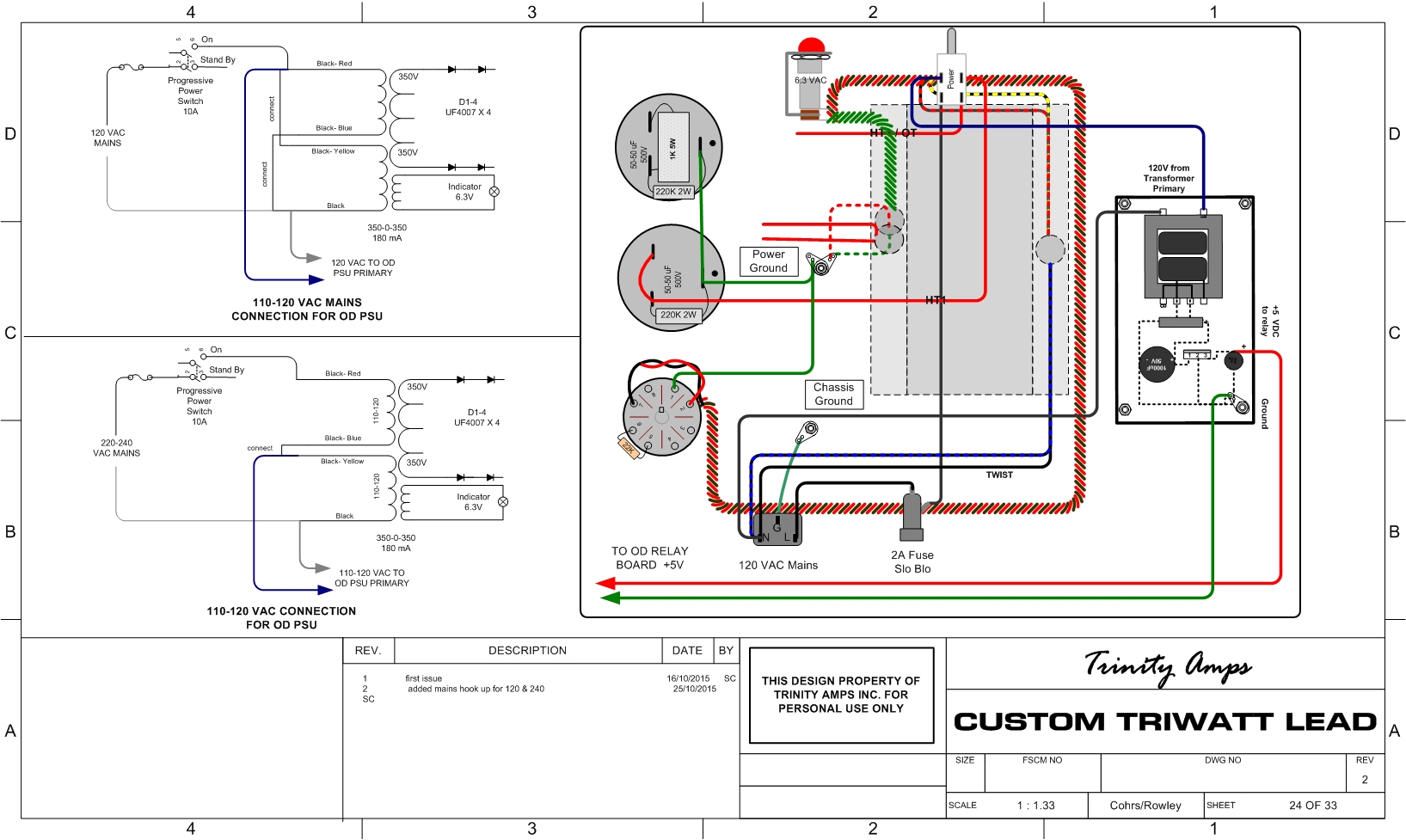
I got two questions with the Power Supply for the Overdrive foot switch.
1. As I was unpacking the Power Supply the two wires broke off the Perf Board. Doh! I didn't get a chance to see where they originally were. My guess is that Ground is on Terminal 1 of the transformer? It looks like it and it is marked with a little black marker. Hot I assume is Terminal 4?
2. Sorry if this question is answered elsewhere, in fact I know it was, but I just wanted to verify I completely understand it. The question was about how to wire the Power Supply up and the answer was
Quote:
One to the Power switch the other to line Neutral OR to just connect them to the Power transformer primary.
I have attached an image to verify if I understand what this means. The magenta is hot and green is ground. I actually can't figure out what the Power Transformer Primary is. I know newbie. I'd appreciate any help. Gonna take this nice and slow and will probably be asking a lot of question here.
Thanks everyone,
-Ralf
