trinityamps.com

Trinity Amps Guitar Amp Forum
It is currently Wed Jan 21, 2026 12:42 am

All times are UTC - 5 hours [ DST ]




Post new topic Reply to topic  [ 6 posts ] 
Author Message
 Post subject: Bleed resistor?
PostPosted: Tue Jan 01, 2013 9:14 pm 
Offline
Novice
Novice

Joined: Wed Sep 12, 2012 7:46 am
Posts: 138
Was thinking about adding a bleed resister to unload the caps when the amp is off to make it easier to wofk on...

I noticed in the back of the manual that it says that the sIII does not have one...so by omission does that mean that the Plexi already has it and i dont have to worry about it?


Top
 Profile  
 
 Post subject: Re: Bleed resistor?
PostPosted: Tue Jan 01, 2013 9:54 pm 
Offline
Expert
Expert
User avatar

Joined: Sun Feb 17, 2008 4:47 pm
Posts: 960
Location: Toronto, Canada.
None of the amps have them.

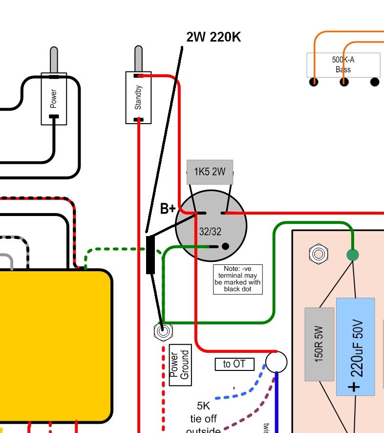
220K 2W from first filter cap to ground.

_________________
http://pdfelectronics.com


Top
 Profile  
 
 Post subject: Re: Bleed resistor?
PostPosted: Wed Jan 02, 2013 10:18 am 
Offline
Novice
Novice

Joined: Wed Sep 12, 2012 7:46 am
Posts: 138
so...i can add the resistor like this then...right?

the filtering caps on the board are already connected to ground...so, do they need to be discharged as well before servicing?


Attachments:
filter.JPG
filter.JPG [ 69.78 KiB | Viewed 8505 times ]
Top
 Profile  
 
 Post subject: Re: Bleed resistor?
PostPosted: Wed Jan 02, 2013 10:54 am 
Offline
Expert
Expert
User avatar

Joined: Sun Feb 17, 2008 4:47 pm
Posts: 960
Location: Toronto, Canada.
Yep that's how you do it.

All the caps (including ones on the board) will be drained when you turn off the amp.

_________________
http://pdfelectronics.com


Top
 Profile  
 
 Post subject: Re: Bleed resistor?
PostPosted: Wed Jan 02, 2013 11:10 am 
Offline
Novice
Novice

Joined: Wed Sep 12, 2012 7:46 am
Posts: 138
thank you sir...

gonna head over to a guitar shop and pick up a resistor and some sheilded cable...and should have it running by the wkend...time permitting!


Top
 Profile  
 
 Post subject: Re: Bleed resistor?
PostPosted: Fri Jan 04, 2013 5:54 pm 
Offline
Holy Ghost
Holy Ghost
User avatar

Joined: Sun Mar 13, 2005 4:10 pm
Posts: 7519
Location: Canada
simplest to just go across the can cap terminal from B+ to ground tab. easy peasy.

_________________
Stephen
Web: www.trinityamps.com. Facebook: facebook.com/trinityamps. Twitter: @trinityamps


Top
 Profile  
 
Display posts from previous:  Sort by  
Post new topic Reply to topic  [ 6 posts ] 

All times are UTC - 5 hours [ DST ]


Who is online

Users browsing this forum: No registered users and 30 guests


You cannot post new topics in this forum
You cannot reply to topics in this forum
You cannot edit your posts in this forum
You cannot delete your posts in this forum
You cannot post attachments in this forum

Search for:
Jump to:  
Powered by phpBB® Forum Software © phpBB Group