trinityamps.com

Trinity Amps Guitar Amp Forum
It is currently Thu Jan 22, 2026 3:57 pm

All times are UTC - 5 hours [ DST ]




Post new topic Reply to topic  [ 170 posts ]  Go to page Previous  1, 2, 3, 4, 5, 6, 7, 8, 9  Next
Author Message
 Post subject: Re: Plexi Brown Mods
PostPosted: Sun Jul 03, 2011 12:07 am 
Offline
Novice
Novice

Joined: Fri Jul 01, 2011 9:59 pm
Posts: 78
Thanks for the reply Les.

Listening to my own clip, the amp sounds a bit more "brown" than I thought at first - Not as much as yours, a Bray mod or EVH, but some of that vibe anyway.

My first post was after playing it at sane volumes (3 or 4 master) where it sounds very "bluesbreaker" with that kind of compressed bass vs my Marshall 2203, but listening to the clip it has a little of that brown mojo at full blast. I just can't really play it that loud - volume or feedback wise. I actually ordered a BBQ Mass the other day specifically so I could dime it without ear bleed - ha ha. So it will be interesting to see how it sounds with a few more tweaks, dimed but dialed back with the attenuator

I noticed I made a mistake above about my Master Volume pot - MY amp has the 1 meg master volume pot and the Trinity Layout has the 500k. I do have a 500k and may throw that in just for kicks along with the last couple things I had not done from the brown layout


Last edited by Lindz on Sun Jul 03, 2011 12:29 am, edited 1 time in total.

Top
 Profile  
 
 Post subject: Re: Plexi Brown Mods
PostPosted: Sun Jul 03, 2011 12:09 am 
Offline
Novice
Novice

Joined: Fri Jul 01, 2011 9:59 pm
Posts: 78
Ha Ha I love the way that We_ber and cer_iatone get changed in the forum - BBQ Mass - thats funny......


Top
 Profile  
 
 Post subject: Re: Plexi Brown Mods
PostPosted: Sun Jul 03, 2011 2:29 am 
Offline
Experienced
Experienced

Joined: Fri Aug 27, 2010 8:57 pm
Posts: 226
Location: Dallas, Tx
Lindz wrote:
Listening to my own clip, the amp sounds a bit more "brown" than I thought at first - Not as much as yours, a Bray mod or EVH, but some of that vibe anyway.
I compared your clip to mine and I can hear that the underlying 'brown' compression and saturation is there in your clip pretty close to mine although a little thin (maybe the pickup). I would say try the mic dead center and see what it sounds like. It should brighten it up a bit and capture more direct saturation.
Lindz wrote:
My first post was after playing it at sane volumes (3 or 4 master) where it sounds very "bluesbreaker" with that kind of compressed bass vs my Marshall 2203, but listening to the clip it has a little of that brown mojo at full blast.
Yeah you have to get those power tubes cooking. :)
Lindz wrote:
I just can't really play it that loud - volume or feedback wise.
I can crank mine without the attenuator and get very little feedback. I have to get on my knees in front of the cab to get it to really feedback. What that tells me is that you may need a better pickup. In my experience, unless you have a signature series guitar, most stock pups are not that great and tend to sound thin and bassy and feedback easily. I would find out what pup your favorite guitarists use and try one in your guitar. I like the Duncan distortion. It has a slightly higher output than normal pups but has a well rounded tone for the variety of styles I like to play.

_________________
Les

http://www.soundclick.com/unimind


Top
 Profile  
 
 Post subject: Re: Plexi Brown Mods
PostPosted: Sun Jul 03, 2011 2:18 pm 
Offline
Novice
Novice

Joined: Fri Jul 01, 2011 9:59 pm
Posts: 78
Unimind wrote:
I can crank mine without the attenuator and get very little feedback. I have to get on my knees in front of the cab to get it to really feedback. What that tells me is that you may need a better pickup. In my experience, unless you have a signature series guitar, most stock pups are not that great and tend to sound thin and bassy and feedback easily. I would find out what pup your favorite guitarists use and try one in your guitar. I like the Duncan distortion. It has a slightly higher output than normal pups but has a well rounded tone for the variety of styles I like to play.


It squeals like crazy when that loud with any of my guitars I have tried so far even when I am way off to the side with my back to the amp (mostly Les Pauls - I am a Les Paul guy) . In fact the Fender seems to feedback less than most, hence me using it on the clip. I think most of the Gibson pickups are potted so in theory should not feedback that much and I was assuming it was simply how loud and the amount of gain. After trying a few different guitars I figured it was not the pickups but I do have a couple other guitars with aftermarket pickups that I will try just for kicks. Thanks for the suggestion

I'm curious - What tubes are you using in your amp??


Top
 Profile  
 
 Post subject: Re: Plexi Brown Mods
PostPosted: Sun Jul 03, 2011 2:34 pm 
Offline
Experienced
Experienced

Joined: Fri Aug 27, 2010 8:57 pm
Posts: 226
Location: Dallas, Tx
Lindz wrote:
It squeals like crazy when that loud with any of my guitars I have tried so far even when I am way off to the side with my back to the amp (mostly Les Pauls - I am a Les Paul guy) .
Maybe it is something in the circuit then. Zaphod is the best to help with that.
Lindz wrote:
I'm curious - What tubes are you using in your amp??
I am using Tung-Sols in the preamp and JJs in the power section.

_________________
Les

http://www.soundclick.com/unimind


Top
 Profile  
 
 Post subject: Re: Plexi Brown Mods
PostPosted: Sun Jul 03, 2011 4:21 pm 
Offline
Novice
Novice

Joined: Fri Jul 01, 2011 9:59 pm
Posts: 78
Thanks for another fast reply. I will try messing with mic placement/guitars and make a few clips when I see the neighbors are not home - ha ha.

Perhaps some of the gurus might chime in on what components to look at for excessive squealy feedback? To be honest it did not really surprise me that there was feedback when it was dimed and as loud as it was, but perhaps my shitty soldering skills and or some other mistake is contributing to it.

You commented about tightening up the bass on my amp - on your first clips you had the amp dimed, but with the bass dialed back - correct? But the last "you really got me" clip on the clips page you indicate dimed, no cascade - had you made many changes to your amp components then vs the first clip? My bass was at 10 on my clip so perhaps even dialing it back a bit might help there.

That said, in the thread following your original post, Zaphod and some of the other gurus around here suggested changes to your layout tighten it up - are those incorporated in your amp or more importantly the Trinity brown layout? I sort of lost track over the course of the thread and simply made some notes from the thread, went to the last layout Coco posted and went through my amp to change any different components. In theory I have incorporated all the Brown values from that layout now (I did a little more soldering last night) so I may have to deviate a little from it to do so.

Zaphod also mentioned a couple posts back that a 1Meg pot will be slightly gainier than the 500k - my amp has a 1 meg master volume - probably not enough to make a world of difference but perhaps some

Some subtle things - looking at pics of your actual turret board I see that you have sozo caps throughout and carbon comp resistors in a few places that I do not. I did buy my bits and pieces from Hoffman's web store assuming he stocks decent parts and would have guitar amp values. Anything I did not change would be whatever Ceria-tone supplied. Perhaps even a few component changes of brands and types might tweak it slightly? Maybe the gurus can chime in here on where they think certain caps and resistors ought to be "mojo" brands and or carbon comp etc. and what their favorites are.

My amp has JJ's throughout but I have some Tungsol 12ax7's, maybe will try those too

Will post another clip with any changes noted asap


Top
 Profile  
 
 Post subject: Re: Plexi Brown Mods
PostPosted: Sun Jul 03, 2011 7:18 pm 
Offline
Experienced
Experienced

Joined: Fri Aug 27, 2010 8:57 pm
Posts: 226
Location: Dallas, Tx
Lindz wrote:
You commented about tightening up the bass on my amp - on your first clips you had the amp dimed, but with the bass dialed back - correct?
Yes. That was with the stock Trinity Plexi circuit.
Lindz wrote:
... But the last "you really got me" clip on the clips page you indicate dimed, no cascade - had you made many changes to your amp components then vs the first clip?...
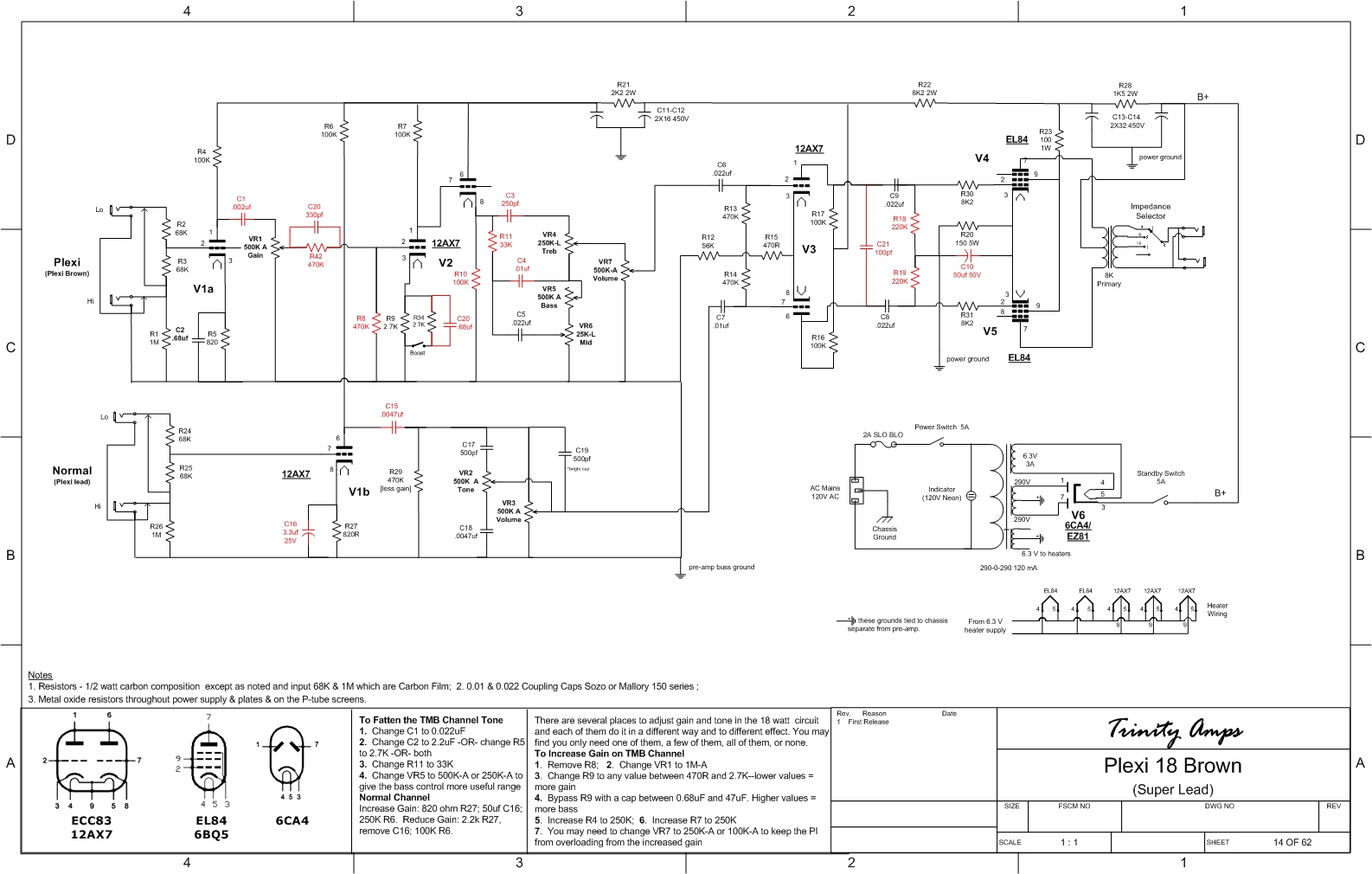
Yes I made many changes at that point including fixed bias and a negative feedback loop with presence control. I also mix my channels at the input to V2 like the Marshall 1959 Superlead circuit (which is what I based my amp on). Here is my amp schematic. http://www.unimind.us/images/Trinity18_ ... ematic.jpg
Lindz wrote:
... That said, in the thread following your original post, Zaphod and some of the other gurus around here suggested changes to your layout tighten it up - are those incorporated in your amp or more importantly the Trinity brown layout? ....
Yes. The Trinity brown layout is based on mine. If you compare the schematics you should see all the component value changes are there. Here is the trinity brown schem. download/file.php?id=316&mode=view
Lindz wrote:
Zaphod also mentioned a couple posts back that a 1Meg pot will be slightly gainier than the 500k - my amp has a 1 meg master volume - probably not enough to make a world of difference but perhaps some
He knows best when it comes to that. I read that if you have too much preamp gain and it is overdriving the phase inverter input then you should lower the pot to 500K or even 250K.
Lindz wrote:
Some subtle things - looking at pics of your actual turret board I see that you have sozo caps throughout and carbon comp resistors in a few places that I do not. ....
Those pics of my board are with the stock plexi circuit before I started modding it. I will try to post some new pics of my current layout later tonight. The Sozos and carbon comps is what Trinity supplies with their kits.
Lindz wrote:
Perhaps even a few component changes of brands and types might tweak it slightly? Maybe the gurus can chime in here on where they think certain caps and resistors ought to be "mojo" brands and or carbon comp etc. and what their favorites are.
There are many long threads out there debating what caps and resisters are best. I think it's good to read them but in the end you will just need to try it yourself and let your ear tell you what is best. That said I think it is the entire circuit that makes the sound so changing the brand of one or two individual components may not even be noticeable. Changing the values however make more of a noticeable difference.

_________________
Les

http://www.soundclick.com/unimind


Top
 Profile  
 
 Post subject: Re: Plexi Brown Mods
PostPosted: Mon Jul 04, 2011 12:44 am 
Offline
Experienced
Experienced

Joined: Fri Aug 27, 2010 8:57 pm
Posts: 226
Location: Dallas, Tx
Here are the updated pics of my amp.

Front: http://www.unimind.us/images/DSCN7604.JPG
Preamp side: http://www.unimind.us/images/DSCN7605.JPG
Power side: http://www.unimind.us/images/DSCN7606.JPG

_________________
Les

http://www.soundclick.com/unimind


Top
 Profile  
 
 Post subject: Re: Plexi Brown Mods
PostPosted: Tue Jul 05, 2011 12:30 am 
Offline
Novice
Novice

Joined: Fri Jul 01, 2011 9:59 pm
Posts: 78
Question for Unimind - how hissy is your amp when dimed on the bright channel? Mine is pretty darn noisy - no buzz, just a lot of hiss. Its still not in a cab or shielded yet on the bottom side, and it does not surprise me there would be some hiss given the amount of gain, but i think it is probably noisier than it should be - My Marshall 2203 dimed is quieter than the bright channel dimed with the master at 3 on the 18 watt - by the time I dial it up to 11 it is really hissy

I'm not really sure if it is noisier now than before I started changing components because I did not really dial it up to "11" prior to my quest for "Brown", so I do not know if I introduced noise or it was already there

I am reading a lot about noise on various sites (Aiken, and various forums including this one) but thought some of the gurus might might chime in where I might look first to quiet it down a bit.

Do any of you use Plastic Pots vs CC? Any particular resistors you would suggest to change to metal film or quieter types in this layout? Aiken suggests using 1 and 2 watt resistors as they are quieter than smaller values- thoughts on this? Any other suggestions?

RE - feedback from earlier posts - My strat kit guitar with an aftermarket Seymour Duncan 58 feedbacks less than my Les Pauls or Fender HSS - still pretty out of hand but it is better. Kind of surprises me the Gibsons are more microphonic vs the Seymour - can't dial the master above 5 with everything dimed without them squealing away - I have a couple of guitars with different pickups, Burstbuckers, '57's, 490's etc but they all squeal a fair bit.

I'm thinking it is predominantly pickups, but is there any components or areas of the amp that I should check out that might make it more feedback prone?

thanks!

Lindsay


Top
 Profile  
 
 Post subject: Re: Plexi Brown Mods
PostPosted: Tue Jul 05, 2011 8:31 am 
Offline
Holy Ghost
Holy Ghost
User avatar

Joined: Sun Mar 13, 2005 4:10 pm
Posts: 7519
Location: Canada
A 1 meg master volume pot will give you more gain and possibly exacerbate the feedback.
If the squeal/feedback is happening just because the volume is increased try reversing the lead to the OT.
Are you using Trinity transformers?

_________________
Stephen
Web: www.trinityamps.com. Facebook: facebook.com/trinityamps. Twitter: @trinityamps


Top
 Profile  
 
 Post subject: Re: Plexi Brown Mods
PostPosted: Tue Jul 05, 2011 12:23 pm 
Offline
Experienced
Experienced

Joined: Fri Aug 27, 2010 8:57 pm
Posts: 226
Location: Dallas, Tx
Lindz wrote:
Question for Unimind - how hissy is your amp when dimed on the bright channel?
It's pretty quiet. I mean the hiss is there from the gain but well I made some sound files.

In both clips everything is dimed except the normal gain is off, no attenuator (my dogs ran for their lives ) and I am standing 4 feet in front of the cab without feedback(well there is a little but I can control it). At the start of each clip you hear the hiss of the amp and then I turn up the volume on the guitar, make some scratches and then play.

First clip I set it to auto/cathode bias and no NFB. There is a high pitched squeak going on I presume because I do not have it in a head case i.e. no shielding.
http://www.unimind.us/Dimed1.mp3

Second clip I set it to fixed bias and turned on the NFB.
http://www.unimind.us/Dimed2.mp3

_________________
Les

http://www.soundclick.com/unimind


Top
 Profile  
 
 Post subject: Re: Plexi Brown Mods
PostPosted: Tue Jul 05, 2011 3:24 pm 
Offline
Novice
Novice

Joined: Fri Jul 01, 2011 9:59 pm
Posts: 78
coco wrote:
If the squeal/feedback is happening just because the volume is increased try reversing the lead to the OT.
Are you using Trinity transformers?

Coco - I'm getting a little off topic now in this Brown Mod thread chasing my amp problems - let me know if you think I should start a new thread re: noise/feedback

I'm using Mercury Magnetics trannies. Rookie question - Looking at connections to the OT, do you mean swap the 2 connections from pin 7 on the output tubes that go to the OT, or from the cap can? Unless I misunderstand you those are the only leads I see to the OT.

Re- the volume pot - I tried a 500k pot - no dramatic change on feedback or hiss, though I don't have really fancy pots - Alpha for the 1 meg, and the 500k is from Hoffman. Swapped back to the 1 meg to compare hiss for now - the Alpha also "looks" like a better part (can't say if it is though). Aikens site suggested plastic conductor pots to reduce noise? thoughts? I see purists complain about the "sound" of Plastic pots in other threads?

As for chasing hiss on the TMB channel - any suggestions where to start? Most of what I read seems to suggest it likely being in or around v1A. I suppose I can just start swapping components, re-soldering, swapping tubes etc. but thought the gurus might have a logical approach based on experience. I did try changing to some other 12ax7 tubes I have with no real difference - but I was not particularly methodical - just pulled one set threw the others in. I have ordered some metal film resistors, some carbon film, some 1 and 2 watt carbon comp (assuming they may be quieter than 1/2 watt), and some other caps etc assuming it may be interesting to try some swaps sound wise and noise wise - but it would be great if anyone can chime in with any other suggestions where to start chasing the hiss

Unimind - My amp is really quite hissy on that channel - I wish I had paid attention more when I was first playing it so I could determine whether my component changes introduced the hiss or if it was a hissy to start. But playing it at half-sane volumes the noise was not that noticeable. But diming it out on the TMB channel I notice it is REALLY hissy. Diming the Normal channel is not so bad, a little noisier than my 2203 but not dramatically so, making me think that something in the TMB circuit is noisy. As I said, my Marshall 2203 completely dimed is MUCH quieter - Diming it is like 3 on the 18 watter TMB channel.

Listening to your first clip above your amp feedbacks less than mine for sure though I can hear when you aren't clamping the strings it whistles pretty quickly - With my Les Pauls mine is instant microphonic feedback at anything above 5 MV, with my HSS strat at about 7 MV and my one kit strat 8 MV - so pickups do contribute but it does seem to be more feedback prone than yours


Top
 Profile  
 
 Post subject: Re: Plexi Brown Mods
PostPosted: Tue Jul 05, 2011 4:32 pm 
Offline
Experienced
Experienced

Joined: Fri Aug 27, 2010 8:57 pm
Posts: 226
Location: Dallas, Tx
Yeah maybe we should start a new thread and continue there. I will also be starting one for the buzz/fizz I get on the low strings when dimed. I have some time to work on the amp now so I would like to get that done.

_________________
Les

http://www.soundclick.com/unimind


Top
 Profile  
 
 Post subject: Re: Plexi Brown Mods
PostPosted: Tue Aug 02, 2011 2:02 am 
Offline
Novice
Novice

Joined: Fri Jul 01, 2011 9:59 pm
Posts: 78
Unless I am mistaken the brown layout has a mistake on the bypass cap on v1 from pin 8 - should be 330uF should it not? I've been going over every detail of my amp trying to kill the buzz and quiet it down and noticed all the old threads about EVH's amp on the net indicate it had 330uF bypass caps ... the layout says 3.3uF

In theory the brown bypass cap values on both v1 and v2 should be 330uF if the idea was to replicate his preamp, no?

the various amp techs also indicate that the resistors on his amp had drifted to about 1.1meg vs the 820r on the layout

http://www.pleximods.com/evhspec.html

That said Unimind's amp kinda nails the sound so I am perhaps being a little anal on this - but just thought I would mention it as part of my amp rehab reconnaissance

Lindsay


Top
 Profile  
 
 Post subject: Re: Plexi Brown Mods
PostPosted: Tue Aug 02, 2011 10:37 pm 
Offline
Expert
Expert
User avatar

Joined: Sun May 20, 2007 1:45 pm
Posts: 1254
Location: YYZ
I don't believe the idea was to directly copy EVH's preamp values, but just to get that vibe. The bypass cap value got changed to 3.3uF to tighten up the low end for cascaded operation. Otherwise, with that much gain, you would get a lot of flub and mush.
Lindz wrote:
the various amp techs also indicate that the resistors on his amp had drifted to about 1.1meg vs the 820r on the layout.

http://www.pleximods.com/evhspec.html

It says 1.1k, not 1.1M :shock: In any case the statement,"BTW those 820 ohm resistors were carbon-comp and drifted in value up about 1.1K and make the amp much more gainy and warmer, since these re-bias the 12AX7 valves in a bit more non-linear region." is also incorrect. The larger cathode resistor value would make the preamp stage colder and fizzier sounding, as it's cold-biased more towards hard clipping. The lower 820 ohm resistor value keep the tube more in the warm-biased, non-linear soft clipping region.

_________________
Great tones come in small glass jars!


Top
 Profile  
 
 Post subject: Re: Plexi Brown Mods
PostPosted: Wed Aug 03, 2011 12:06 am 
Offline
Experienced
Experienced

Joined: Fri Aug 27, 2010 8:57 pm
Posts: 226
Location: Dallas, Tx
zaphod wrote:
I don't believe the idea was to directly copy EVH's preamp values, but just to get that vibe. The bypass cap value got changed to 3.3uF to tighten up the low end for cascaded operation. Otherwise, with that much gain, you would get a lot of flub and mush.
That is correct.
Lindz wrote:
the various amp techs also indicate that the resistors on his amp had drifted to about 1.1meg vs the 820r on the layout.

http://www.pleximods.com/evhspec.html
I also tried the 1.2k resistors but didn't really notice much difference so I went back to the 820s.

_________________
Les

http://www.soundclick.com/unimind


Top
 Profile  
 
 Post subject: Re: Plexi Brown Mods
PostPosted: Thu Aug 04, 2011 4:30 am 
Offline
Novice
Novice

Joined: Fri Jul 01, 2011 9:59 pm
Posts: 78
Duh... my bad on the 1.1 meg. I also recall now that you mentioned way back in the thread changing some values for the cascade to avoid farty bass...

When I posted yesterday I had thought that perhaps I had a rookie eureka moment and someone had misplaced a decimal on the drawing since the EVH spec was 330 and the layout 3.3

Should have known - ha ha


Top
 Profile  
 
 Post subject: Re: Plexi Brown Mods
PostPosted: Sun Aug 07, 2011 12:03 am 
Offline
Novice
Novice

Joined: Fri Jul 01, 2011 9:59 pm
Posts: 78
I've been going over my brown modded amp - while going over voltages I noticed I'm getting 94 volts on pins 3/8 on v3 - trinity plexi manual suggests 75. Is this too hot for the PI, and do you think this may contribute to the buzz we have been hunting down? I assume different resistors would lower this? suggestions?

For the most part my other voltages all seem within a reasonable amount of the Trinity suggested values, though pin 3 on rectifier is 370v vs 350 Trinity suggested.


Top
 Profile  
 
 Post subject: Re: Plexi Brown Mods
PostPosted: Sun Aug 07, 2011 10:51 am 
Offline
Holy Ghost
Holy Ghost
User avatar

Joined: Sun Mar 13, 2005 4:10 pm
Posts: 7519
Location: Canada
Try to change/swap tubes & retest. Tubes are not perfect and can make big impacts to voltages.

_________________
Stephen
Web: www.trinityamps.com. Facebook: facebook.com/trinityamps. Twitter: @trinityamps


Top
 Profile  
 
 Post subject: Re: Plexi Brown Mods
PostPosted: Sun Aug 07, 2011 2:17 pm 
Offline
Novice
Novice

Joined: Fri Jul 01, 2011 9:59 pm
Posts: 78
swapped a few Tung Sols... all were 93 - 94 volts

Tried a JJ - was 90 watts

is this too high? If so what components would I change?


Top
 Profile  
 
Display posts from previous:  Sort by  
Post new topic Reply to topic  [ 170 posts ]  Go to page Previous  1, 2, 3, 4, 5, 6, 7, 8, 9  Next

All times are UTC - 5 hours [ DST ]


Who is online

Users browsing this forum: No registered users and 30 guests


You cannot post new topics in this forum
You cannot reply to topics in this forum
You cannot edit your posts in this forum
You cannot delete your posts in this forum
You cannot post attachments in this forum

Search for:
Jump to:  
cron
Powered by phpBB® Forum Software © phpBB Group