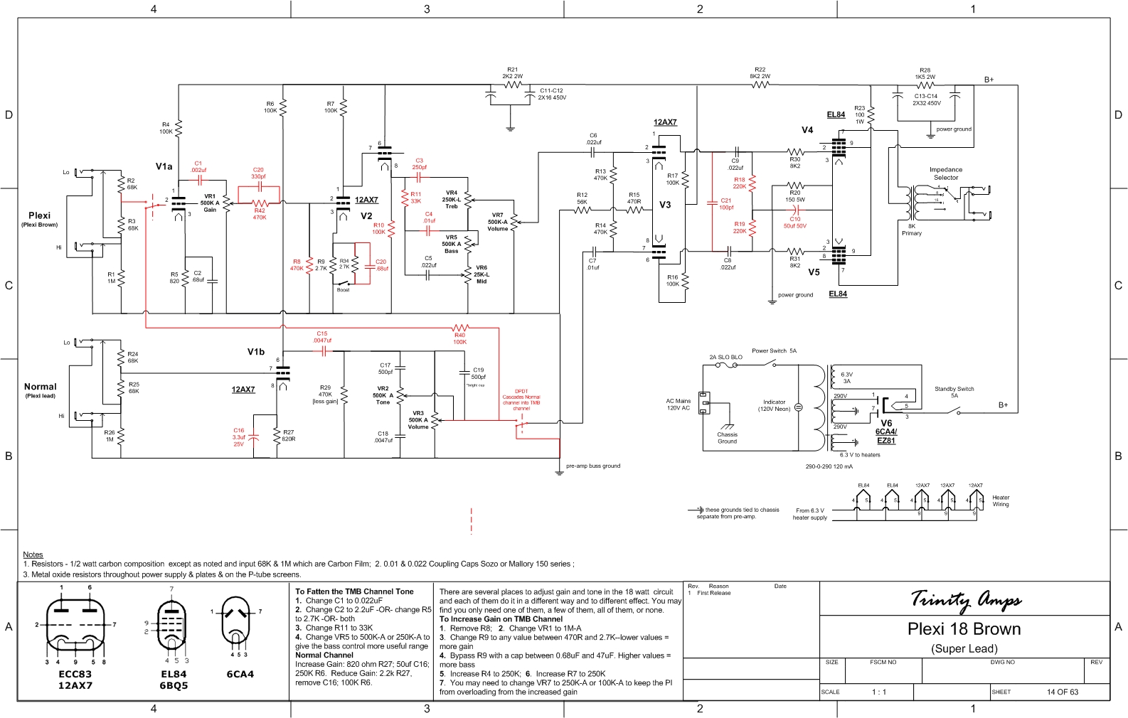
That looks OK for the simplified (non-NFB cathode-bias only) version.
coco wrote:
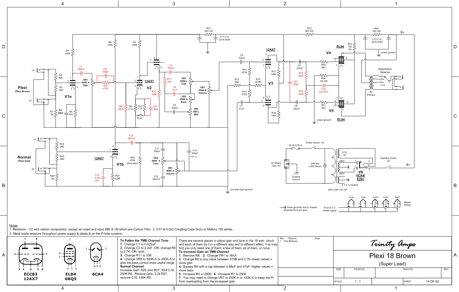
I think this captured most of unimind changes. Added the 50pf PI plate cap, left the 8.2K grid stoppers and lefft the normal channel as per plexi lead (220uf/820R).
That 47pF cap is meant to be across the PI V3's anodes, and it needs to be 100pF in this amp, like Unimind has done done it.
And I think we should also reduce the 220uF on the Normal channel to 3.3uF as per Unimind's recommendation in his other thread, quoted here. Also the coupling cap to 0.0047uF....
Update:
Made some changes to the normal channel to tighten up the bass.
Changed coupling cap to .0047uF
Changed cathode bypass cap to 3.3uF
Sounds much tighter now. Really has that 80s feel. Unimind wrote:
When I turn the NFB off will the 43K tail still be ok there?
Yes, because it's path to ground is still via the 5k pot.
Unimind wrote:
That looks correct. Now which lurker is going to be our guinie pig and try that schematic?

You missed one mistake.

Edit: OK, the PI cap has been fixed now. There has been a change in the matrix.

Unimind wrote:
.... Bright channel only dimed except bass on 0. I had not wired any of the switches other than the boost. You can see the gut shots in that thread as well.
If you needed to run the bass control at 0, then that tells me you would probably have done better with a 0.01uF for the tone stack Mid cap C4. The regular Marshall tone stack's bass control sweep is more in the bass guitar range, due to the fact it comes from the Fender Bassman. This simple mod pulls the bass control more into the regular guitar frequency range.
Edit: And one more thing! We have got to include the cascade switch. That's where a lot of the fun of this amp lies.