trinityamps.com

Trinity Amps Guitar Amp Forum
It is currently Sun Nov 23, 2025 8:02 am

All times are UTC - 5 hours [ DST ]




Post new topic Reply to topic  [ 12 posts ] 
Author Message
PostPosted: Mon Aug 28, 2017 7:25 am 
Offline

Joined: Thu May 04, 2017 1:41 pm
Posts: 8
Hi!
My first post on to this forum.
I have finished my build, my first attempt to build anything electrical.
Everything seems ok, no red plating, no noice/crackles(both channels are quiet).
Sounds really good, not so much gain in TMB channel as I would like.
Incrementally increased volume to 10, and it works fine(loud).:D

But looking at measurements when build was completed and all tubes installed,
Tubes are new and matched. Bought them as a kit for 18w from Watford valves.

AC Mains Voltage 234 VAC

Voltage readings
B+ 377 V (346 at the connection to the turret board)

V1 ECC83
Pin 1: 153.2 V (155)
Pin 3: 0.99 V (1.0)
Pin 6: 159.6 V (155)
Pin 8: 0.99 V (1.0)

V2 ECC83
Pin 1: 154.0 V (155)
Pin 3: 1.0 V (1.0)
Pin 6: 277.8 V (272)
Pin 8: 154.8 V (180)

V3 ECC83
Pin 1: 204.1 V (220)
Pin 2: 29.6 V (52)
Pin 3: 39.7 V (75)
Pin 6: 204.3 V (217)
Pin 7: 29.6 V (62)
Pin 8: 39.5 V (75)

V4 EL84
Pin 3: 13.5 V (12)
Pin 7: 362 V (345)
Pin 9: 344.4 V (340)

V5 EL84
Pin 3: 13.5 V (12)
Pin 7: 362.6 V (345)
Pin 9: 347.4 V (340)

V6 EZ 81 (rectifier)
Pin 1: 315 V AC
Pin 3: 375 V DC
Pin 7: 316 V AC

6V6 - 1 ON/OFF
Pin 8: 21.8/48 V (22)

6V6 - 2 ON/OFF
Pin 8: 21.8/48 V (22)

As you can tell there are a lot of values that little bit off.

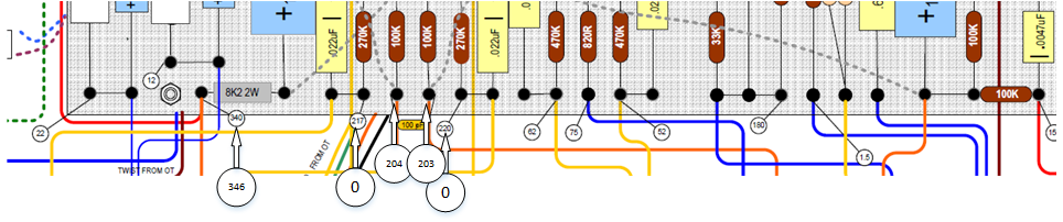
Why am I getting Zero voltage on (see the picture on layout and picture on my build)?
Since I'm novice , I have a lot to learn, where do I start to trouble shoot?
From what I can tell I have made the correct connections to the turret board, checked connectivity.
But the reading is off.


Attachments:
File comment: Voltage related to layout
stello_18w_layout_voltages.png
stello_18w_layout_voltages.png [ 155.6 KiB | Viewed 18268 times ]
File comment: My build
stello_18w_plexi_MkII_v6.JPG
stello_18w_plexi_MkII_v6.JPG [ 7.68 MiB | Viewed 18268 times ]
Top
 Profile  
 
PostPosted: Mon Aug 28, 2017 12:28 pm 
Offline
Expert
Expert

Joined: Sat Dec 04, 2010 3:42 pm
Posts: 519
Location: Qualicum Beach, BC
Hi, welcome to the forum.

Your build looks good. Don't worry too much if some voltages are off. Typically voltages vary by 10 to 15% in tube circuits.

The voltages at the cathodes of V3 are low, though. Check R12. It should be 22k (red red orange). Can't tell if the third band is orange or brown in your photo.

I would expect to see 0 volts at the turrets you indicated on the layout drawing. Those points are after the coupling capacitors C8 and C9. The job of those capacitors is to block DC coming out of V3 and only pass the AC audio signals on to the grids of the output tubes.

I don't know why the drawing shows those points to be 217 and 220 volts. Those labels should point to the two 100K resistors that feed power to V3. You show around 204 volts there which is fine.


Top
 Profile  
 
PostPosted: Mon Aug 28, 2017 4:38 pm 
Offline

Joined: Thu May 04, 2017 1:41 pm
Posts: 8
Thanks for the input.
Double checked everything, poked around with chopstick not scratching or bad noise.
All seems ok.
Looking at R12 it is red/red/orange i.e 22K.
The voltage towards the R15 is 38.9VDC

So, should I alter that value?


Top
 Profile  
 
PostPosted: Mon Aug 28, 2017 10:49 pm 
Offline
Expert
Expert

Joined: Sat Dec 04, 2010 3:42 pm
Posts: 519
Location: Qualicum Beach, BC
You shouldn't have to change any resistors unless their values are way off which is unlikely. Try swapping your V1 and V3 tubes and see if any of the voltages change.


Top
 Profile  
 
PostPosted: Tue Aug 29, 2017 4:35 am 
Offline

Joined: Thu May 04, 2017 1:41 pm
Posts: 8
Thanks again mitch m!

Will swap around the tubes tonight and look at the measures.

I was really surprise, being a first-time builder, that everything would checkout fine, but then again I'm very meticulous.

It is a really beautiful sounding amp, it is so humfree and quiet and I recommend this kit to anyone who is thinking about a DIY project.


Top
 Profile  
 
PostPosted: Wed Aug 30, 2017 11:12 am 
Offline
Holy Ghost
Holy Ghost
User avatar

Joined: Sun Mar 13, 2005 4:10 pm
Posts: 7519
Location: Canada
Good catch on the voltages. mitch is correct and though our drawings had been updated but not distributed on paper.
there can be minor differences in the voltages posted and that doesn't make a lot of difference as long as you like the sound!!
you've done a good job building the amp, congratulations.

Attachment:
mk2v6.JPG
mk2v6.JPG [ 82.65 KiB | Viewed 18195 times ]

_________________
Stephen
Web: www.trinityamps.com. Facebook: facebook.com/trinityamps. Twitter: @trinityamps


Top
 Profile  
 
PostPosted: Thu Aug 31, 2017 6:24 am 
Offline

Joined: Thu May 04, 2017 1:41 pm
Posts: 8
Thanks Stephen for everything!

@Mitch_m I swapped tubes V1<->V3, that didn't change values. The tubes a bought as kit from Watford Valves, as I mention.
https://www.watfordvalves.com/product_detail.asp?id=3683 and it's the second kit I have bought from them.
Their kit for my Blackstar HT-100 made wonders to that amp.


Now that I have played on the amp, it's starting to "break in" and just sounds amazing at full volume! :D
Also glad that I did the option for 6V6 tubes.
Run it through a 2x12 Marshall 1936V.


Top
 Profile  
 
PostPosted: Thu Aug 31, 2017 8:52 am 
Offline
Holy Ghost
Holy Ghost
User avatar

Joined: Sun Mar 13, 2005 4:10 pm
Posts: 7519
Location: Canada
Excellent! 212 at full volume!

_________________
Stephen
Web: www.trinityamps.com. Facebook: facebook.com/trinityamps. Twitter: @trinityamps


Top
 Profile  
 
PostPosted: Tue Sep 12, 2017 10:03 am 
Offline

Joined: Thu May 04, 2017 1:41 pm
Posts: 8
Additional questions related to headroom and more gain.

I think I got confused about Normal channel vs TMB Channel.

For me I would like the other way around, Normal channel to have more Headroom and the TMB a bit more gain, not according to spec.
Is this a good idea or am I barking up the wrong tree?
Probably this is based on amps that I owned over the years that I see like this...

Also bought the Voltage Regulation Module (VRM) that I'm planning to install once I got everything as I want.
If I would like to keep the original On/Off-switch it would be ok to place the 1M pot in the back?

I been looking at the different 18w models trying to figure out in which direction I should go.
When browsing through the forum I see a lot different paths you may take in order to pursue the goal, many times it is based on older versions that
somewhat does not resemble the current versions, then it's gets a little bit confusing. I'm learning terminology as I go by.

I have additional audio pots 250K and 1M, 5K for presence control for an eventual NFB. And additional switches, resistors...


Top
 Profile  
 
PostPosted: Tue Sep 12, 2017 5:17 pm 
Offline

Joined: Thu May 04, 2017 1:41 pm
Posts: 8
Made some attempts, curiosity killed cat.
For TMB, Removed R8, kept R42. A move in the right direction.
Tried 1M pot for volume, that gave it much gain,
But introduced hiss from approximately 7. Still it possible to get clean when gain is turned down. I would say that it kept the original voicing.
Then I swapped VR7 1M to standard 500K and moved that
to gain. At lower volume it introduced more preamp gain and roll off of volume on guitar still had crunchy sound, not what I want.

So I will look at 1M on the volume pot, try to figure out why it squel. Notice that by moving around connections,
, that could be the culprit.


Top
 Profile  
 
PostPosted: Wed Sep 13, 2017 5:34 am 
Offline

Joined: Thu May 04, 2017 1:41 pm
Posts: 8
Looked through the forum found this regarding
troubleshooting squeal: http://www.trinityamps.com/phpbb/viewtopic.php?f=12&t=1291

Also bought a book, read more technical documentation and theory and also found this PDF related to modifying preamp, http://ratcliffe.co.za/sundry/Modify_Preamp_Circuitry.pdf :D

As with everything in life, you need to learn how to walk before you start to run... :oops:


Top
 Profile  
 
PostPosted: Tue Sep 19, 2017 5:34 am 
Offline

Joined: Thu May 04, 2017 1:41 pm
Posts: 8
Some updates and findings: :chatter:

Installed the VRM, discovered at B+ connection to turret could span between 70.1 - 292VDC(332 without VRM, benchmark against 340).
While dialing in the VRM 1M pot, I discovered that there where loss of tone(thin) at some settings. Did re-soldering, but the only time it actually sound the best was at the lowest setting. Ended up removing it, since for me it was not really bedroom volume.

As mention in previous post I removed the voltage divider R8/R42, added a 1M volume in the TMB channel. That was ok for lower volume, giving a lot of preamp dist. But for volume at 10 it became muddy and fizzy. Ended up reverting to original, except for the volume pot.

For headroom normal channel, I swapped R27 820R to a 2K7. I think a will stick to that.

Stephen has done such an amazing job with original plexi mkII design, that it doesn't need tweaking. :thumbsup:

So for bedroom volume I discovered that my old dist pedal "dark matter" really was very useful, when fully cranked there is no need for a pedal :D

Note on Squeal: whenever that happened to me, it's mostly due to a bad connection(re-solder) or moving the cable. :bugeye:


Top
 Profile  
 
Display posts from previous:  Sort by  
Post new topic Reply to topic  [ 12 posts ] 

All times are UTC - 5 hours [ DST ]


Who is online

Users browsing this forum: No registered users and 28 guests


You cannot post new topics in this forum
You cannot reply to topics in this forum
You cannot edit your posts in this forum
You cannot delete your posts in this forum
You cannot post attachments in this forum

Search for:
Jump to:  
Powered by phpBB® Forum Software © phpBB Group