trinityamps.com

Trinity Amps Guitar Amp Forum
It is currently Sat Jan 24, 2026 12:51 pm

All times are UTC - 5 hours [ DST ]




Post new topic Reply to topic  [ 3 posts ] 
Author Message
PostPosted: Wed May 11, 2011 8:24 pm 
Offline
Novice
Novice
User avatar

Joined: Mon Aug 11, 2008 2:37 pm
Posts: 126
Location: Oblivia (Longmont, CO, US)
Not sure if this post should go here or in the "Dressing Room", but......anyway......

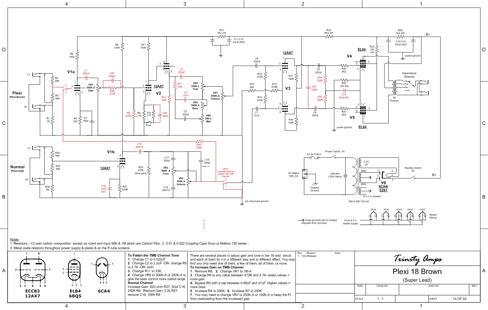
In the Plexi-Brown-Mods thread, the discussions on cascading the channels got the gears grinding. The concept here is based on the PlexiBrown design, but with a single input & two switched topographies. One has the two channels bridged, the other cascades the Normal channel into the TMB channel. Would this work?


Attachments:
Cascade.jpg
Cascade.jpg [ 53.62 KiB | Viewed 4991 times ]

_________________
************
** b0b0 **
************

- This Space For Rent -
Top
 Profile  
 
PostPosted: Thu May 12, 2011 3:52 pm 
Offline
Experienced
Experienced

Joined: Fri Aug 27, 2010 8:57 pm
Posts: 226
Location: Dallas, Tx
So you just have a single input and are looking to switch between stock 18 watt and cascade normal ch to TMB ch?

i.e. Stock would be one input to both ch and each ch to each side of the PI.

Cascade would be input to normal ch to TMB to PI and ground the other side of PI.

I think Coco's version of BrownMods is what you want just you will have a single input feeding both ch.

download/file.php?id=271&mode=view

_________________
Les

http://www.soundclick.com/unimind


Top
 Profile  
 
PostPosted: Thu May 12, 2011 4:34 pm 
Offline
Novice
Novice
User avatar

Joined: Mon Aug 11, 2008 2:37 pm
Posts: 126
Location: Oblivia (Longmont, CO, US)
That's funny! Turn the switch around 180 degrees & you need 1 less pole to do the same thing. Perspective is everything.....
Unimind wrote:
i.e. Stock would be one input to both ch and each ch to each side of the PI.
Perzackly what I was going for & what was tripping me up. Thanks for the link.........somehow I missed that schematic.

_________________
************
** b0b0 **
************

- This Space For Rent -


Top
 Profile  
 
Display posts from previous:  Sort by  
Post new topic Reply to topic  [ 3 posts ] 

All times are UTC - 5 hours [ DST ]


Who is online

Users browsing this forum: No registered users and 28 guests


You cannot post new topics in this forum
You cannot reply to topics in this forum
You cannot edit your posts in this forum
You cannot delete your posts in this forum
You cannot post attachments in this forum

Search for:
Jump to:  
Powered by phpBB® Forum Software © phpBB Group