trinityamps.com

Trinity Amps Guitar Amp Forum
It is currently Wed Oct 08, 2025 1:12 pm

All times are UTC - 5 hours [ DST ]




Post new topic Reply to topic  [ 5 posts ] 
Author Message
PostPosted: Fri Jul 24, 2015 2:19 pm 
Offline
Holy Ghost
Holy Ghost
User avatar

Joined: Sun Mar 13, 2005 4:10 pm
Posts: 7519
Location: Canada
We have made a few updates and posted them on a dropbox for kit builders to use.

We have just made some very important ones and sent out an email. Here is the summary;

PHASE INVERTER

The Floating Paraphase Inverter design is used in many Ampeg amps. It is very rarely seen in guitar amplifiers, although Ampegs are an exception. It can be thought of as a cross between the long tailed pair and the paraphrase.

In some builds, the Phase inverter CAN introduce some oscillation based distortion. It could just be that the design is 50 years old, a little odd and quite uncommon. Anyway, we have a straightforward mod of two parts to prevent the PI issue. If you need the parts or we can mail them out to you. You may not even notice an issue!
I have tested on our amp and there is no effect on tone or response etc. It is quite transparent and I can see that the waveform of the signal is cleaner as a result.

METHOD: Add a 560K 1W grid stopper resistor to V3 pin 4 where there is a currently a solid wire from the board to pin 4 and also put a 50 pf cap from the .022uf cap (that now feeds that grid stopper) and the adjacent 510K that connects to the plate of V3 pin 5.
You may be able to use just the 50 pf cap, but the grid stopper is good design and primary defence against such problems.

Check your inventory of parts on hand and let me know what you need.


OUTPUT TRANSFORMER WIRING

After several recent conversations with some Ampeg types, we just discovered this. We were talking about the output transformer, impedance, resistance etc. so I measured up ours as a reference and discovered that the wiring of the output side was NOT the colours we thought we had specified from Heyboer!!! No damage done but let’s fix it!
I confirmed all the specs and the correct colours are below.

On the output transformer secondarys:
• Black is ground direct to output jacks
• Green goes to the 16 ohm connection on the impedance switch
• Yellow goes to the 8 ohm connection on the impedance switch
• Orange goes to the 4 ohm connection on the impedance switch.


We have updated the manual, layout and schematic and reposted them on the dropbox.

_________________
Stephen
Web: www.trinityamps.com. Facebook: facebook.com/trinityamps. Twitter: @trinityamps


Top
 Profile  
 
PostPosted: Tue Jul 28, 2015 2:12 pm 
Offline
Holy Ghost
Holy Ghost
User avatar

Joined: Sun Mar 13, 2005 4:10 pm
Posts: 7519
Location: Canada
We are working with a few builders and as we do, we are clarifying our instructions. We did find that depending on the wiring of the build, at extremes of tone and volume controls, some feedback / oscillation / distortion occurred. These mods are intended to eliminate most, if not all, of that.

The latest Layout v17 is here:

Attachment:
TripTop Layout v17.pdf [1.16 MiB]
Downloaded 1767 times



Important Note: Ensure Output Transformer Secondary wires are routed far from the input to V1 & V2

Attachment:
OTwiring.JPG
OTwiring.JPG [ 85.92 KiB | Viewed 25886 times ]



Recommended after confirming Amp is Built as per latest Layout 17
1 560K PI grid resistor V3, pin 4
1 50p plate cap V3, pin 4-5 (or from .022uf to plate as in the picture)

Attachment:
PIgrid.JPG
PIgrid.JPG [ 39.55 KiB | Viewed 25886 times ]


Use Aluminum tape to tape down OT Primary & Secondary leads in place on chassis as per layout 17

Optional as required
2 470K PI mix-grid resistors from both channels to V3, pin 1. Replace 270K.
2 220K plate resistors reduce gain of normal channel V2 pin2 & pin 5 (replace 470K on board)
1 1K across (in parallel with) 120K tone stack resistor to lower top end boost of tone stack

_________________
Stephen
Web: www.trinityamps.com. Facebook: facebook.com/trinityamps. Twitter: @trinityamps


Top
 Profile  
 
PostPosted: Sun Aug 30, 2015 12:43 pm 
Offline
Holy Ghost
Holy Ghost
User avatar

Joined: Sun Mar 13, 2005 4:10 pm
Posts: 7519
Location: Canada
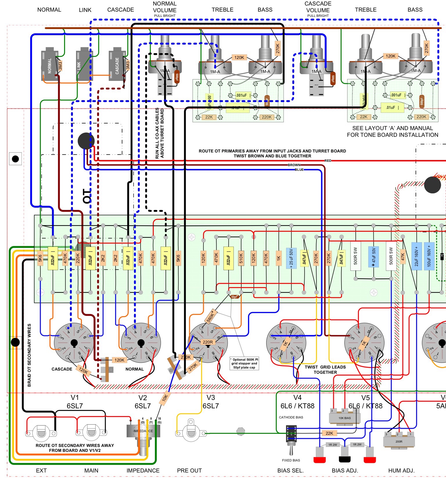
Another important update for those on the build list.
An email was sent out with details regarding the cross-wiring of the two channels in the layout. This has been corrected and reposted. Email me if you dont have the information yet.

Attachment:
image.jpg
image.jpg [ 699.19 KiB | Viewed 25816 times ]

_________________
Stephen
Web: www.trinityamps.com. Facebook: facebook.com/trinityamps. Twitter: @trinityamps


Top
 Profile  
 
PostPosted: Sun Apr 18, 2021 7:32 pm 
Offline
Friend
Friend

Joined: Fri Aug 23, 2019 7:13 pm
Posts: 15
Is there anything special about using aluminum tape? I have some 4” wide copper taper which has better shield electronic shield properties than aluminum. I’d like to use that, I have confirmed it’s sticky side has no dielectric properties.


Top
 Profile  
 
PostPosted: Wed Apr 21, 2021 12:26 pm 
Offline
Holy Ghost
Holy Ghost
User avatar

Joined: Sun Mar 13, 2005 4:10 pm
Posts: 7519
Location: Canada
Its for shielding. I suspect copper would work fine.

_________________
Stephen
Web: www.trinityamps.com. Facebook: facebook.com/trinityamps. Twitter: @trinityamps


Top
 Profile  
 
Display posts from previous:  Sort by  
Post new topic Reply to topic  [ 5 posts ] 

All times are UTC - 5 hours [ DST ]


Who is online

Users browsing this forum: No registered users and 6 guests


You cannot post new topics in this forum
You cannot reply to topics in this forum
You cannot edit your posts in this forum
You cannot delete your posts in this forum
You cannot post attachments in this forum

Search for:
Jump to:  
cron
Powered by phpBB® Forum Software © phpBB Group