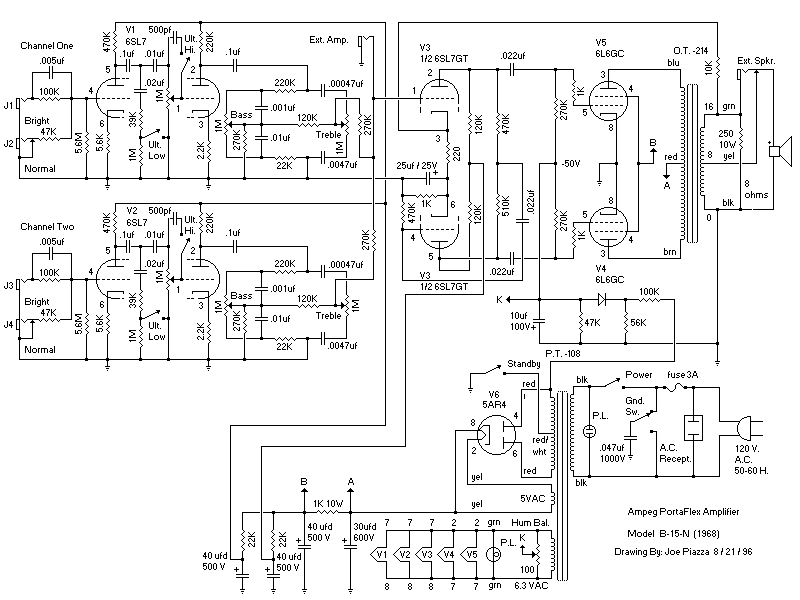
My 70's B15N has two 6L6 tubes so it's probably similar in power to your "S". I also read that the "S" (and the B18S) use the same transformers as the V2, so perhaps you have sort of heard a V4 minus two output tubes!!!
It's not the right sound for every context obviously, but for me that overdriven Ampeg thing is right about 95% of the time... In the studio, some of that fuzz actually helps the bass sit in the track, and actually in the end you don't hear it as distorted - sounds clean in the mix, but present... I find clean bass tracks a lot more difficult to sit in a track with any sort of presence... ymmv, obviously - different strokes for different folks...

Anyway, I'm not opposed to a little more clean headroom than a B15, but clean or hi-fi bass ain't my thing!! Also, there's SO MUCH available these days in terms of that clean hi-fi bass thing...
FWIW, the V4B I have now has four 6550's in it (originally had four 7027A's). It has a lot more clean headroom than my B15, but if you gun it, it breaks up in a similar way... it's just louder... sort of like somewhere between the B15 and the SVT... nice amp!! Works great as a "pedal platform" for guitar too - similar to a Hiwatt... I wouldn't be upset if the "TripTop" had a little something in common with that amp!!

Anyway, I'm so excited for Stephen's take on all of this... whatever it ends up being I know it's going to sound GOOOOOOOOOOOD!!!

_________________
Brent Bodrug
Producer-Engineer/Songwriter
www.slyfichapel.com