trinityamps.com

Trinity Amps Guitar Amp Forum
It is currently Mon Jan 12, 2026 10:47 am

All times are UTC - 5 hours [ DST ]




Post new topic Reply to topic  [ 25 posts ]  Go to page 1, 2  Next
Author Message
 Post subject: Best B15
PostPosted: Fri Aug 06, 2010 5:12 pm 
Offline
Holy Ghost
Holy Ghost
User avatar

Joined: Sun Mar 13, 2005 4:10 pm
Posts: 7519
Location: Canada
Doing some research and there are a lot of B15s versions out there. Just curious if there is a particular circuit that is considered the best. What one do you have?

So far:


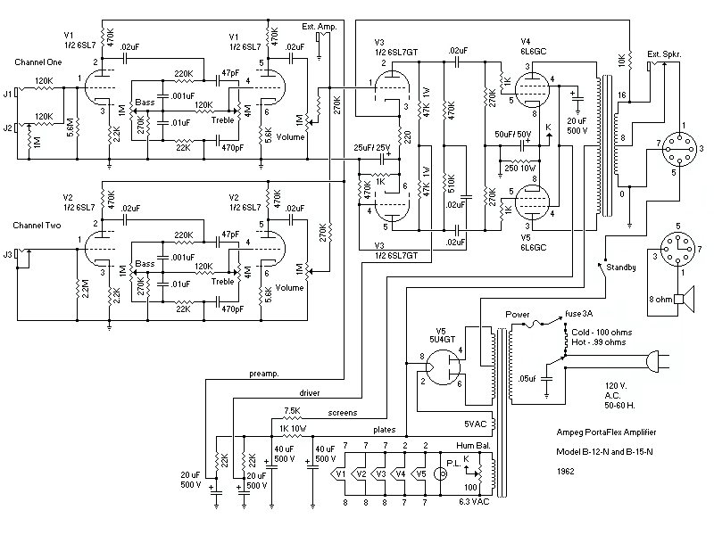
B-15-N 1962
Attachment:
b12n-jp.gif
b12n-jp.gif [ 23.14 KiB | Viewed 25807 times ]


B-15-N 1964
Attachment:
b12nc-jp.gif
b12nc-jp.gif [ 17.48 KiB | Viewed 25807 times ]


B-15-N 1968
Attachment:
b15n68-jp.gif
b15n68-jp.gif [ 18.32 KiB | Viewed 25807 times ]


B-15-NC
Attachment:
b12nc-jp.gif
b12nc-jp.gif [ 17.48 KiB | Viewed 25807 times ]


B-15-NF
Attachment:
b12nf-jp.gif
b12nf-jp.gif [ 22.44 KiB | Viewed 25807 times ]


B-15-S
Attachment:
b15s.gif
b15s.gif [ 78.57 KiB | Viewed 25807 times ]


... and then there was a B18-N ...

Attachment:
b18n-jp.gif
b18n-jp.gif [ 17.34 KiB | Viewed 25807 times ]


B1-18-X
Attachment:
b12xt.gif
b12xt.gif [ 111.93 KiB | Viewed 25805 times ]

_________________
Stephen
Web: www.trinityamps.com. Facebook: facebook.com/trinityamps. Twitter: @trinityamps


Top
 Profile  
 
 Post subject: Re: Best B15
PostPosted: Sat Aug 07, 2010 6:20 pm 
Offline
Experienced
Experienced
User avatar

Joined: Fri Apr 25, 2008 8:17 pm
Posts: 427
Location: Quinte West
60's B15N hands down... the earlier the better... having said that, my B15N is from the 70's and it's amazing, and also the recent reissue B15R is pretty darn fantastic also. The other amp I have in my possession right now is a V4B and it's pretty awesome too... lots of info here:
http://ampegv4.com/

_________________
Brent Bodrug
Producer-Engineer/Songwriter

www.slyfichapel.com


Top
 Profile  
 
 Post subject: Re: Best B15
PostPosted: Mon Aug 09, 2010 12:23 pm 
Offline
Experienced
Experienced
User avatar

Joined: Fri Apr 25, 2008 8:17 pm
Posts: 427
Location: Quinte West
My 70's B15N has two 6L6 tubes so it's probably similar in power to your "S". I also read that the "S" (and the B18S) use the same transformers as the V2, so perhaps you have sort of heard a V4 minus two output tubes!!!

It's not the right sound for every context obviously, but for me that overdriven Ampeg thing is right about 95% of the time... In the studio, some of that fuzz actually helps the bass sit in the track, and actually in the end you don't hear it as distorted - sounds clean in the mix, but present... I find clean bass tracks a lot more difficult to sit in a track with any sort of presence... ymmv, obviously - different strokes for different folks... :)

Anyway, I'm not opposed to a little more clean headroom than a B15, but clean or hi-fi bass ain't my thing!! Also, there's SO MUCH available these days in terms of that clean hi-fi bass thing...

FWIW, the V4B I have now has four 6550's in it (originally had four 7027A's). It has a lot more clean headroom than my B15, but if you gun it, it breaks up in a similar way... it's just louder... sort of like somewhere between the B15 and the SVT... nice amp!! Works great as a "pedal platform" for guitar too - similar to a Hiwatt... I wouldn't be upset if the "TripTop" had a little something in common with that amp!! ;)

Anyway, I'm so excited for Stephen's take on all of this... whatever it ends up being I know it's going to sound GOOOOOOOOOOOD!!! :)

_________________
Brent Bodrug
Producer-Engineer/Songwriter

www.slyfichapel.com


Top
 Profile  
 
 Post subject: Re: Best B15
PostPosted: Mon Aug 09, 2010 2:50 pm 
Offline
Experienced
Experienced
User avatar

Joined: Fri Apr 25, 2008 8:17 pm
Posts: 427
Location: Quinte West
I can confirm that that the Hiwatt DR103 makes a FANTASTIC bass amp - I have one and use it all the time... It's pretty darn good through the Hiwatt 412, but with a 15 it's like an SVT with all kinds of clean headroom and SUPER TIGHT bottom end. It could be just what you're describing actually... But Stephen already built his Hiwatt tribute which is why we're on this Ampeg thing on here!!

_________________
Brent Bodrug
Producer-Engineer/Songwriter

www.slyfichapel.com


Top
 Profile  
 
 Post subject: Re: Best B15
PostPosted: Mon Aug 09, 2010 6:53 pm 
Offline
Experienced
Experienced
User avatar

Joined: Fri Apr 25, 2008 8:17 pm
Posts: 427
Location: Quinte West
Yes, Triwatt. :)

_________________
Brent Bodrug
Producer-Engineer/Songwriter

www.slyfichapel.com


Top
 Profile  
 
 Post subject: Re: Best B15
PostPosted: Mon Aug 09, 2010 8:07 pm 
Offline
Novice
Novice

Joined: Wed Jan 30, 2008 3:34 pm
Posts: 141
Location: Manitoulin Island, Ontario
I didn't know they used octal preamp tubes. Tres cool. :)


Top
 Profile  
 
 Post subject: Re: Best B15
PostPosted: Mon Aug 09, 2010 9:16 pm 
Offline
Holy Ghost
Holy Ghost
User avatar

Joined: Sun Mar 13, 2005 4:10 pm
Posts: 7519
Location: Canada
:happydance:
Cups wrote:
I didn't know they used octal preamp tubes. Tres cool. :)


B15s do. Triwatts dont!

If I put 6550 into a B15, I thimk I'd call it the B-52

_________________
Stephen
Web: www.trinityamps.com. Facebook: facebook.com/trinityamps. Twitter: @trinityamps


Top
 Profile  
 
 Post subject: Re: Best B15
PostPosted: Mon Aug 09, 2010 9:29 pm 
Offline
Experienced
Experienced
User avatar

Joined: Fri Sep 18, 2009 9:24 pm
Posts: 264
Location: Thompson, Mb
Quote:
If I put 6550 into a B15, I thimk I'd call it the B-52

B-52s have 8 turbo fans, so are we to think 4 6550s per side? :twisted:
You can use 6550s, I will use KT88s, I have both NOS and new in KT88, 90 & 100
Plus ordered a bunch of tubes for stock, haven't tried the JJ EL34s before, but they have to be better then Sovtek.
Also getting tubes ready for my cascaded 18w
Already getting my speakers in line, 2x10 and 1x15

Name is in use, but I don,t see a bass amp
http://www.b-52stealthseries.com/Products.html

_________________
Fantasy Noise is what my shop of dreams is called and was the only way to beat my addiction, like many here I suffer from G.A.S.


Tele's make the best noise


Last edited by Taz13 on Tue Aug 10, 2010 9:21 am, edited 1 time in total.

Top
 Profile  
 
 Post subject: Re: Best B15
PostPosted: Mon Aug 09, 2010 9:49 pm 
Offline
Holy Ghost
Holy Ghost
User avatar

Joined: Sun Mar 13, 2005 4:10 pm
Posts: 7519
Location: Canada
oops, you mean that name is already taken. Rats!
2 X 6550

_________________
Stephen
Web: www.trinityamps.com. Facebook: facebook.com/trinityamps. Twitter: @trinityamps


Top
 Profile  
 
 Post subject: Re: Best B15
PostPosted: Tue Aug 10, 2010 3:31 pm 
Offline
Expert
Expert

Joined: Wed Feb 21, 2007 5:18 pm
Posts: 589
Location: Da Rock
It was an amplifier brand for a while too. Not sure if it's still in the game.

A pair of 6550's or KT-88's would be my pref for a bass amp. Lower power is great for recording, but my use would mostly be for small jams so more power would be preferable. Maybe the output tubes could be swappable like the Tramp & Triwatt?

_________________
SG + Brit tube head = Nirvana


Top
 Profile  
 
 Post subject: Re: Best B15
PostPosted: Tue Aug 10, 2010 5:29 pm 
Offline
Holy Ghost
Holy Ghost
User avatar

Joined: Sun Mar 13, 2005 4:10 pm
Posts: 7519
Location: Canada
B-52 is still in the game! Those tubes require different OT impedances which complicates matters.
I was already looking into that!

_________________
Stephen
Web: www.trinityamps.com. Facebook: facebook.com/trinityamps. Twitter: @trinityamps


Top
 Profile  
 
 Post subject: Re: Best B15
PostPosted: Wed Aug 11, 2010 4:53 am 
Offline
Experienced
Experienced
User avatar

Joined: Fri Apr 25, 2008 8:17 pm
Posts: 427
Location: Quinte West
Emohawk wrote:
A pair of 6550's or KT-88's would be my pref for a bass amp.


That sounds great to me!

Emohawk wrote:
Lower power is great for recording, but my use would mostly be for small jams so more power would be preferable. Maybe the output tubes could be swappable like the Tramp & Triwatt?


Since I'm the guy around here that spends most of his life the studio I say skip the swappage and make the damn thing LOUD!! :bugeye:

:)

_________________
Brent Bodrug
Producer-Engineer/Songwriter

www.slyfichapel.com


Top
 Profile  
 
 Post subject: Re: Best B15
PostPosted: Wed Aug 11, 2010 7:49 am 
Offline
Holy Ghost
Holy Ghost
User avatar

Joined: Sun Mar 13, 2005 4:10 pm
Posts: 7519
Location: Canada
If I was designing this (& I'm not commiting to that :P ) it, I would consider the design implications of swapping tubes. Doesnt mean that's the design.

And since the 6550 or 6L6 could use an OT of about half the impedance of a TRIWATT OT, well, you can see the option.

_________________
Stephen
Web: www.trinityamps.com. Facebook: facebook.com/trinityamps. Twitter: @trinityamps


Top
 Profile  
 
 Post subject: Re: Best B15
PostPosted: Mon Aug 16, 2010 9:31 pm 
Offline
Novice
Novice

Joined: Wed Jan 30, 2008 3:34 pm
Posts: 141
Location: Manitoulin Island, Ontario
I ment the B15 uses octal pre's. Is the trinity version going all octal too?


Top
 Profile  
 
 Post subject: Re: Best B15
PostPosted: Mon Aug 16, 2010 9:37 pm 
Offline
Holy Ghost
Holy Ghost
User avatar

Joined: Sun Mar 13, 2005 4:10 pm
Posts: 7519
Location: Canada
Cups wrote:
I ment the B15 uses octal pre's. Is the trinity version going all octal too?


... if i were, the answer would be yes.

_________________
Stephen
Web: www.trinityamps.com. Facebook: facebook.com/trinityamps. Twitter: @trinityamps


Top
 Profile  
 
 Post subject: Re: Best B15
PostPosted: Mon Aug 16, 2010 11:03 pm 
Offline
Experienced
Experienced
User avatar

Joined: Fri Sep 18, 2009 9:24 pm
Posts: 264
Location: Thompson, Mb
coco wrote:

... if i were, the answer would be yes.


Just think of a combo with a pair of basslite S2010 drivers with a big old legend CB158 in an extension cab

_________________
Fantasy Noise is what my shop of dreams is called and was the only way to beat my addiction, like many here I suffer from G.A.S.


Tele's make the best noise


Top
 Profile  
 
 Post subject: Re: Best B15
PostPosted: Tue Aug 17, 2010 8:04 pm 
Offline
Novice
Novice

Joined: Wed Jan 30, 2008 3:34 pm
Posts: 141
Location: Manitoulin Island, Ontario
Stephen's being awefully cautious with his words eh? :wink:


Top
 Profile  
 
 Post subject: Re: Best B15
PostPosted: Tue Aug 17, 2010 8:53 pm 
Offline
Holy Ghost
Holy Ghost
User avatar

Joined: Sun Mar 13, 2005 4:10 pm
Posts: 7519
Location: Canada
If I had a line up of 10 commitments, I'd be less cautious. :wink:

_________________
Stephen
Web: www.trinityamps.com. Facebook: facebook.com/trinityamps. Twitter: @trinityamps


Top
 Profile  
 
 Post subject: Re: Best B15
PostPosted: Tue Aug 17, 2010 10:46 pm 
Offline
Experienced
Experienced
User avatar

Joined: Fri Sep 18, 2009 9:24 pm
Posts: 264
Location: Thompson, Mb
As long as we are talking kit form, one or two here.

_________________
Fantasy Noise is what my shop of dreams is called and was the only way to beat my addiction, like many here I suffer from G.A.S.


Tele's make the best noise


Top
 Profile  
 
 Post subject: Re: Best B15
PostPosted: Wed Aug 18, 2010 8:05 am 
Offline
Holy Ghost
Holy Ghost
User avatar

Joined: Sun Mar 13, 2005 4:10 pm
Posts: 7519
Location: Canada
Either and that's encouraging.

_________________
Stephen
Web: www.trinityamps.com. Facebook: facebook.com/trinityamps. Twitter: @trinityamps


Top
 Profile  
 
Display posts from previous:  Sort by  
Post new topic Reply to topic  [ 25 posts ]  Go to page 1, 2  Next

All times are UTC - 5 hours [ DST ]


Who is online

Users browsing this forum: No registered users and 30 guests


You cannot post new topics in this forum
You cannot reply to topics in this forum
You cannot edit your posts in this forum
You cannot delete your posts in this forum
You cannot post attachments in this forum

Search for:
Jump to:  
Powered by phpBB® Forum Software © phpBB Group