trinityamps.com

Trinity Amps Guitar Amp Forum
It is currently Sun Nov 23, 2025 5:05 pm

All times are UTC - 5 hours [ DST ]




Post new topic Reply to topic  [ 1 post ] 
Author Message
 Post subject: First (small) Tramp mod
PostPosted: Sat Feb 15, 2020 1:07 pm 
Offline
Friend
Friend

Joined: Fri Aug 16, 2019 4:17 pm
Posts: 38
Location: Detroit, MI, USA
Hi all. Thanks for the help in my build thread. Since then I've been learning a little about tube amp design, and I'm about ready to get the soldering iron out and start playing.

Starting small, my first modification is a safety resistor to prevent damage if I forget to plug the speaker in. Here's what I did:
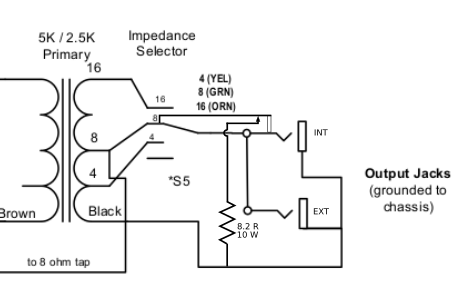
Attachment:
File comment: This requires a power resistor and a shunt-tip output jack.
schematic.png
schematic.png [ 40.27 KiB | Viewed 10113 times ]

The idea is that if the speaker is unplugged, the shunt tip in the output jack connects a resistor in its place. The resistor is downstream of the impedance selector switch, so it's only a good impedance match when you're on the 8 Ohm setting. I decided that putting it upstream of the switch wasn't worth the extra complexity. For completeness, here's what I think the "upstream" version of the circuit would look like:
Attachment:
File comment: If you have an isolated, break-circuit 1/4" jack handy, you could do this instead.
schematic2.png
schematic2.png [ 40.45 KiB | Viewed 10113 times ]

Please ignore the fact that I drew a trace right through the middle of the impedance selector switch on this second schematic.

The 8.2 Ohm, 10W power resistor came from mouser.com. I had the replacement output jack lying around the shop, so I'm not sure where I got it.
Here's a photo of the result. The resistor is held in with some velcro tape for now. I'll probably use something more secure later.
Attachment:
File comment: Figuring out where to put the power resistor was harder than I expected.
twisted.jpg
twisted.jpg [ 203.31 KiB | Viewed 10113 times ]

OK, that's all for now. Have a good weekend.


Top
 Profile  
 
Display posts from previous:  Sort by  
Post new topic Reply to topic  [ 1 post ] 

All times are UTC - 5 hours [ DST ]


Who is online

Users browsing this forum: No registered users and 21 guests


You cannot post new topics in this forum
You cannot reply to topics in this forum
You cannot edit your posts in this forum
You cannot delete your posts in this forum
You cannot post attachments in this forum

Search for:
Jump to:  
Powered by phpBB® Forum Software © phpBB Group