trinityamps.com

Trinity Amps Guitar Amp Forum
It is currently Sun Feb 22, 2026 9:18 am

All times are UTC - 5 hours [ DST ]




Post new topic Reply to topic  [ 53 posts ]  Go to page Previous  1, 2, 3  Next
Author Message
PostPosted: Mon Dec 30, 2019 6:28 pm 
Offline
Experienced
Experienced

Joined: Wed Sep 12, 2018 5:17 pm
Posts: 374
Location: Shawnee, OK
Also, cool tools (drill press, got and O-scope, I'd like one). Bought myself a Rikon 10-326 bandsaw for next 5 or 6 birthdays and Christmases, it's sweet. I see cabinets in the future :!:

_________________
"The only problem with being retired is you never get a day off"


Top
 Profile  
 
PostPosted: Tue Dec 31, 2019 8:50 am 
Offline
Friend
Friend

Joined: Fri Aug 16, 2019 4:17 pm
Posts: 38
Location: Detroit, MI, USA
Thanks @coco and @Hankules for the kind words!

I had a little trouble doing the thumb & forefinger O-scope-only method. It seemed like small motions (of me or the capacitor) changed the signal enough that I couldn't pick out the effect of swapping the cap orientation.
OTOH, it was my first time trying this, and I hadn't yet thought to turn on the scope bandwidth limit. It's quite possible that I'd do better if I tried it again. Unfortunately, I had a productive day yesterday, and all of my tubular caps are now in-circuit! Next time I get some, I'll try again. :)


Top
 Profile  
 
PostPosted: Tue Dec 31, 2019 9:04 am 
Offline
Friend
Friend

Joined: Fri Aug 16, 2019 4:17 pm
Posts: 38
Location: Detroit, MI, USA
@Hankules I'm jealous of your bandsaw purchase! That and a table saw would make so many things easier. Oh, and a router table... and more shop space...
Haha, I see that this could be a very deep well! :)


Top
 Profile  
 
PostPosted: Tue Dec 31, 2019 9:06 am 
Offline
Friend
Friend

Joined: Fri Aug 16, 2019 4:17 pm
Posts: 38
Location: Detroit, MI, USA
[Edit: I uploaded the wrong image previously. Trying to move too fast...]

A quick follow-up post to the earlier conversation about lead-free solder. I took another swing at going lead-free. I used the same alloy as last time, but with a more aggressive flux. Even though it's more aggressive, this flux is still OK to leave on the board without cleaning. Datasheet is here: https://www.kester.com/DesktopModules/B ... 0&TabId=96
Attachment:
File comment: SAC305 solder, this time with Kester's 285 "Rosin Mildly Activated" flux core.
rmaSolder.jpg
rmaSolder.jpg [ 147.54 KiB | Viewed 17357 times ]

With an 80 Watt soldering iron set at 750F, this solder/flux combination works great on eyelets. It still looks a little different than tin-lead solder, but otherwise I have no complaints. Unless new information comes up, I'll keep using this for projects going forward.


Top
 Profile  
 
PostPosted: Tue Dec 31, 2019 2:40 pm 
Offline
Experienced
Experienced

Joined: Wed Sep 12, 2018 5:17 pm
Posts: 374
Location: Shawnee, OK
About the tools and space: You ain't lying! About the solder: I think solder diameter is the main thing with eyelets, .040"(1 mm) and .062" (1.5 mm) lets you get a lot of solder in fast! Have some .031" , some times it seems you can't fill an eyelet or make a joint without feeding a few feet in.

_________________
"The only problem with being retired is you never get a day off"


Top
 Profile  
 
PostPosted: Wed Jan 01, 2020 8:12 pm 
Offline
Friend
Friend

Joined: Fri Aug 16, 2019 4:17 pm
Posts: 38
Location: Detroit, MI, USA
Now that I have a solder I like, I got started on the eyelet board. I decided to wire all the jumpers on the front face of the board, rather than the back. I don't want to wind up pulling the board back out of the chassis if I make a wiring error, or if I want to modify the circuit in some way. Putting the infrastructure wiring on the front, where I can get to it, seemed like cheap insurance.
Attachment:
File comment: Starting on the eyelet board
jumpersAndHeatsink.jpg
jumpersAndHeatsink.jpg [ 245.07 KiB | Viewed 17349 times ]

If I were doing this again, I'd consider running the jumpers a little more neatly. I'm not crazy about how they look.

The photo above also shows a little clip-on heatsink. The tip temperature I'm using is about 100F hotter than I would normally use for tin-lead solder. Also, the eyelet joints take quite a bit of dwell time to get up to temperature. This makes me worry about how much heat gets conducted into the components, especially ones with shorter leads, so I used a heat sink on the leads of capacitors and diodes whenever I could fit it.

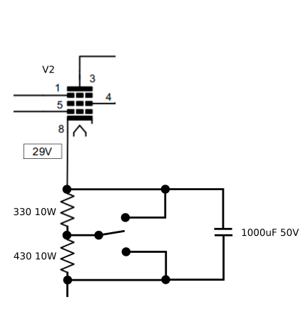
I wired up the board to match the 3-way bias mod I proposed in @jmczaja's thread about running EL34s (viewtopic.php?f=16&t=6196). This mod changes resistor values, and substitutes a DPDT on-off-on three position switch to give bias settings for 6L6, EL34, and 6V6. Here's a schematic showing what I did. The tube in this schematic is V2, and the resistors and switch replace R15 and S4.
Attachment:
File comment: 3-way bias mod
schematic.png
schematic.png [ 20.63 KiB | Viewed 17349 times ]

This gives three bias resistor settings:
    - 760 Ohms when the switch is in the center-off position. This is close to the stock 750 Ohm 6V6 setting.
    - 330 Ohms when the switch is set to jumper out the 430 Ohm resistor. This is close to the stock 324 Ohm 6L6 setting (the 324 Ohms comes from putting 750 Ohm and 570 Ohm resistors in parallel).
    - 430 Ohms when the switch is set to jumper out the 330 Ohm resistor. This almost exactly matches the EL34 bias mod of swapping in a 1000 Ohm resistor for the 570 Ohm bias resistor (750 Ohms and 1000 Ohms in parallel come out to 429 Ohms).

I used 10 Watt power resistors for the new bias circuit (vs. the stock 5 Watt resistors). I don't think this was strictly necessary. Even allowing for the nominal 29V cathode voltage of V2 to be a little high (say, 33V) and the 330 Ohm resistor to be 10% low (297 Ohms), the power dissipated by the resistor is still under 4 Watts in 6L6 mode. OTOH, I don't want the neighboring electrolytic caps to get too hot, and the larger size of the 10W resistors spreads the heat dissipation out, so it seemed like a good call.
Attachment:
File comment: Installing the updated bias resistors
biasBoard.jpg
biasBoard.jpg [ 247.92 KiB | Viewed 17349 times ]

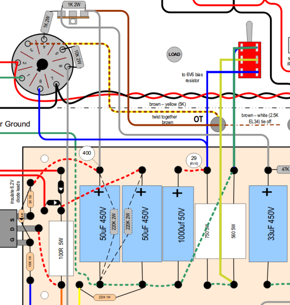
Here's a crudely edited layout picture showing how I'm wiring the mod.
Attachment:
File comment: Only minor changes to the wiring.
layout.png
layout.png [ 144.13 KiB | Viewed 17349 times ]

This isn't tested yet. When I finish the amp, I'll post bias currents, power dissipation, etc.

I'm open to any comments or suggestions if you see issues with this mod!


Top
 Profile  
 
PostPosted: Fri Jan 03, 2020 8:19 am 
Offline
Friend
Friend

Joined: Fri Aug 16, 2019 4:17 pm
Posts: 38
Location: Detroit, MI, USA
This is just a quick post to point out a two spots in the Build Manual I found confusing.

On page 43, I think the positions of the 220k carbon film and carbon comp resistors are swapped.
Attachment:
File comment: In this picture, I think the diagonally mounted 220k resistor is CF, not CC.
page43.png
page43.png [ 50.62 KiB | Viewed 17342 times ]

Also, there's a boxed callout at the top of page 34 that has a couple of confusing bits. The wire colors don't match the colors on the layout and schematic, and the phrasing "Run a wire from the lug on the side of the fuse holder and from the end of the holder to the power switch" seems wrong to me. I think the lug on the end of the fuse holder should connect to the hot terminal of the IEC connector, and the lug on the side of the fuse holder should connect to the power switch.
Attachment:
File comment: Callout on page 34
page34.png
page34.png [ 84.59 KiB | Viewed 17342 times ]

In both of these, there's plenty of other information to get builders to the right place, but I thought it was worth pointing out the parts that were confusing to me.


Top
 Profile  
 
PostPosted: Fri Jan 03, 2020 8:25 am 
Offline
Friend
Friend

Joined: Fri Aug 16, 2019 4:17 pm
Posts: 38
Location: Detroit, MI, USA
I decided to include the PAB mod from the get-go, so I slightly altered the layout of the layout of the components. Here's a photo of the board. In this photo, the grounded end of R7 is moved over to share an eyelet with the grounded ends of R8 and C5. This leaves R13 alone in the eyelet it used to share with R7. I also added the yellow and green wires, which will run to the footswitch jack.
Attachment:
File comment: Implementing the PAB mod
pabBoard.jpg
pabBoard.jpg [ 272.86 KiB | Viewed 17342 times ]

Here's another hacked up layout diagram reflecting this change.
Attachment:
File comment: Layout for the PAB mod
layout.png
layout.png [ 113.13 KiB | Viewed 17342 times ]

More soon...


Top
 Profile  
 
PostPosted: Sat Jan 04, 2020 9:40 am 
Offline
Friend
Friend

Joined: Fri Aug 16, 2019 4:17 pm
Posts: 38
Location: Detroit, MI, USA
Here's a picture of the eyelet board all wired up and soldered, except for the eyelets that are waiting for the MOSFET pins, and the power/ground eyelets that are waiting for wires from the chassis.
Attachment:
File comment: Ready to install in the chassis
completedBoard.jpg
completedBoard.jpg [ 309.44 KiB | Viewed 17338 times ]

In retrospect, I think it would have been cooler to organize all the flying leads by making a fixture like the one in post #23 of this TDPRI thread by @BobSmith, but it didn't occur to me until afterward: https://www.tdpri.com/threads/lunchbox- ... 175/page-2

Before installing the board, I got worried about the transformer mounting screws and nuts loosening up. I don't want to later have to deal with tightening nuts that are hidden behind the eyelet board. I had some "green" threadlocker that's supposed to wick into the threads of already-assembled fasteners, so I put a drop on each of the nuts. Next time I'll put blue threadlocker on before assembly.
Attachment:
File comment: Adding threadlocker after assembly
threadlocker.jpg
threadlocker.jpg [ 242.42 KiB | Viewed 17338 times ]

When I test fit the board in the chassis, I ran into a problem. Although I put the jumper wiring on the front of the board, I put the two power supply bleed-down resistors (R19 and R26) on the back. One of these resistors interfered with one of the transformer mounting screws. This prevented the board from sitting flush on the standoffs.
Attachment:
File comment: This screw...
transformerFasteners_annotated.jpg
transformerFasteners_annotated.jpg [ 334.32 KiB | Viewed 17338 times ]

Attachment:
File comment: ...interfered with one of these resistors
backOfBoard.jpg
backOfBoard.jpg [ 173.93 KiB | Viewed 17338 times ]

Clearly I should have cleaned the back of the board before taking that photo!

The eyelet at the grounded end of the resistors is not soldered yet because it's waiting for the ground wire from the "power" tag strip, so I was able to bend the resistors out of the way, as shown above. If I were doing this again, I'd add heat shrink to insulate the leads on the high-voltage side of these resistors. Unfortunately, the eyelets at that end are already soldered, so adding it now would be inconvenient. Because the high voltage leads aren't insulated, and because I couldn't see where the tranformer mounting fastener was making contact with the resistor, I was pretty nervous about shorting the high-voltage to the chassis.

I borrowed some polymer clay from the arts & crafts box, put it on the resistors where I thought the contact might be happening, and test fit the board again. When I removed the board, I could see where the fastener made contact by looking at its footprint in the clay.
Attachment:
File comment: The imprint of the screw is labeled with an arrow
footprint.jpg
footprint.jpg [ 147.3 KiB | Viewed 17338 times ]

Seems like there's plenty of clearance. No need to worry about shorting.
Attachment:
File comment: Sorry about the lousy focus
withoutClay.jpg
withoutClay.jpg [ 105 KiB | Viewed 17338 times ]

With all this test fitting, I needed a way to keep the standoffs in place. I did this by threading some spare 6-32 screws into the chassis from the outside, then placing the standoffs over the ends of the screws. This made it much easier to line things up.
Attachment:
File comment: The standoff fits over the end of the 6-32 screw.
standoffs.jpg
standoffs.jpg [ 230.78 KiB | Viewed 17338 times ]


Top
 Profile  
 
PostPosted: Sat Jan 04, 2020 1:41 pm 
Offline
Friend
Friend

Joined: Mon Nov 18, 2019 1:36 am
Posts: 38
Location: Northwestern Ontario
Quote:
When I test fit the board in the chassis, I ran into a problem. Although I put the jumper wiring on the front of the board, I put the two power supply bleed-down resistors (R19 and R26) on the back. One of these resistors interfered with one of the transformer mounting screws. This prevented the board from sitting flush on the standoffs.

I should have mentioned that in my build. I had the exact problem.

It took me a couple tries installing the board, when I finally realized the board was arching up in the middle when I tightened the screws down. I looked on the underside & noticed the resistor scratched from the nut. I had to move one of the resistors in a curved fashion aside, to allow if from sitting on the transformer mounting screw.

Scott


Top
 Profile  
 
PostPosted: Mon Jan 06, 2020 7:35 am 
Offline
Friend
Friend

Joined: Fri Aug 16, 2019 4:17 pm
Posts: 38
Location: Detroit, MI, USA
This is a quick post about installing the MOSFET. I didn't take many pictures, but I learned a few things.

In the combo chassis, the center leg of the MOSFET just about reaches its eyelet on the board, but isn't long enough to extend all the way through and make a good joint. This is why the Builder's Guide says to solder an extension onto the middle leg.

I added my extension by first tinning the center leg, then tinning a piece of wire, then tacking them together with no additional solder. This is a nice technique for delicate soldering operations where you want a neat joint. Here's the one picture I have.
Attachment:
File comment: MOSFET ready for board installation
mosfet.jpg
mosfet.jpg [ 256.9 KiB | Viewed 17326 times ]

But it left me worrying about what would happen when I soldered the eyelet. The heat from the eyelet joint almost certainly re-melted the solder holding the wire and the leg together. It seems to have worked fine, but if I were doing it again, I'd make a small loop at the bottom of the wire extension similar to what you see on the end of the 22k resistor at the bottom of the photo. Soldering this loop around the MOSFET leg would have given me more confidence that the wire would stay connected while I soldered the eyelet.

Getting everything aligned was a piece of cake. I left the screw that secures the MOSFET loose until the board was installed. Then I tightened the screw, then I soldered the eyelets.


Top
 Profile  
 
PostPosted: Mon Jan 06, 2020 8:11 am 
Offline
Friend
Friend

Joined: Fri Aug 16, 2019 4:17 pm
Posts: 38
Location: Detroit, MI, USA
Next I wired up the remaining connections inside the chassis.

There are a few connections that run from one side of the chassis to the other, such as the negative feedback line from S5 to R18, and the line from the wiper of the Volume pot to R14 on the grid of V2. Instead of running those directly across the chassis opening, I routed them under the board because I think that looks neater. For the line from the volume pot I used shielded wire to make up for the longer (and likely noiser) wire routing. The Builder's Guide mentions using shielded wire for this on pages 48 & 49.

I decided to omit the high-voltage impedance selector switch on the primary of the output transformer. It sounds like this is a common source of problems, and I think I can get the same effect by printing a different label for the low-voltage impedance selector switch on the secondary. More on this later.

Here's a picture of the completed chassis build.
Attachment:
File comment: All wired up
completedChassis.jpg
completedChassis.jpg [ 299.75 KiB | Viewed 17326 times ]

I used a 470k resistor for the PAB circuit because that's what I had handy. I'll see how it sounds, then go up or down if necessary.

Here are some more or less blurry detail shots in case they're useful to anyone.
Attachment:
volumePot.jpg
volumePot.jpg [ 229.03 KiB | Viewed 17326 times ]

Attachment:
gainPot.jpg
gainPot.jpg [ 248.67 KiB | Viewed 17326 times ]

Attachment:
inputJack.jpg
inputJack.jpg [ 264.48 KiB | Viewed 17326 times ]

Attachment:
mosfet.jpg
mosfet.jpg [ 319.94 KiB | Viewed 17326 times ]

Attachment:
tonestack.jpg
tonestack.jpg [ 319.06 KiB | Viewed 17326 times ]

Attachment:
mainsAndV2.jpg
mainsAndV2.jpg [ 278.05 KiB | Viewed 17326 times ]

Attachment:
v2.jpg
v2.jpg [ 205.67 KiB | Viewed 17326 times ]

Attachment:
PAB.jpg
PAB.jpg [ 200.73 KiB | Viewed 17326 times ]

Attachment:
v1.jpg
v1.jpg [ 217.34 KiB | Viewed 17326 times ]


Top
 Profile  
 
PostPosted: Mon Jan 06, 2020 9:04 am 
Offline
Friend
Friend

Joined: Fri Aug 16, 2019 4:17 pm
Posts: 38
Location: Detroit, MI, USA
I found a speaker and got ready for the bring-up procedure on page 53 of the Builder's Guide.
Attachment:
File comment: Ready for testing
readyForTesting.jpg
readyForTesting.jpg [ 211.51 KiB | Viewed 17326 times ]

My no-tubes voltage measurements came out mostly fine:
  • Mains voltage: 122 VAC
  • At the first 50uF cap: 445 VDC
  • AC pin of first rectifier diode: 327.6 VAC
  • AC pin of first rectifier diode: 327.6 VAC
  • Total AC voltage across the pair of rectifier diodes: 662 VAC
  • Total AC heater voltage: 7.13

Note the heater voltage is still high. I'm hoping it will come down a bit when it's under load.

I plugged in a speaker, installed tubes, forgot to set the bias switch to "low" for 6V6, and started checking voltages.

Once I started measuring voltages in the bias circuit, I realized something was wrong, and started over with the correct bias switch setting.

Here are the tubes-in voltages I measured with bias set to "low."
  • VRM supply: 400 VDC
  • V1 pin 1: 187 VDC (target 203 VDC)
  • V1 pin 3: 1.73 VDC (target 1.7 VDC)
  • V1 pin 6: 184 VDC (target 191 VDC)
  • V1 pin 8: 1.64 VDC (target 1.7 VDC)
  • V2 pin 8: 28.7 VDC (target 29 VDC)
  • Heater: 6.95 VAC (target 6.3 VAC)

The heater voltage is still a bit high, but it's just about within spec for most tubes (6.3V +/- 10%), so I won't worry about it.

The plate voltages on V1 are a bit low, but the difference is less than 10%, so I'm guessing this is fine, too.

I plugged in a guitar got sound. Woohoo! There's not a lot of bass response right now, but I think that's because I'm playing through a bare speaker sitting on the table. I'm sure adding a cabinet will help the bass out a lot. The test speaker is also brand new and quite stiff, which will also hurt bass response.

I'm excited to get things installed in the cabinet!


Top
 Profile  
 
PostPosted: Mon Jan 06, 2020 9:23 am 
Offline
Friend
Friend

Joined: Fri Aug 16, 2019 4:17 pm
Posts: 38
Location: Detroit, MI, USA
OK, one last post this morning to catch up with the weekend work.

I tried installing in the cabinet last night, and immediately ran into a clearance problem. The Jensen Blackbird is a big speaker, and there's not enough clearance for the the 6V6 tube.
Attachment:
File comment: Clearance problem
withBell.jpg
withBell.jpg [ 194.13 KiB | Viewed 17326 times ]

Removing the magnet cover from the speaker _almost_solves the problem, but there's still not enough space for the power tube.

I tried turning the baffle upside down, which moves the speaker to the left in the picture above and gets it clear of the power tube. Unfortunately, this also raises the speaker in the cabinet, so it interferes with the chassis.
Attachment:
File comment: Baffle upside down
baffleReversed.jpg
baffleReversed.jpg [ 194.05 KiB | Viewed 17326 times ]

I see two possible solutions: I could install a different speaker, or I could try reversing the speaker baffle (removing the grill cloth, recovering the back side of the baffle, and then reinstalling it with the back side facing out-- this would move the speaker horizontally without raising it in the cabinet). I'm open to other ideas if anyone has any.


Top
 Profile  
 
PostPosted: Mon Jan 06, 2020 5:55 pm 
Offline
Experienced
Experienced

Joined: Wed Sep 12, 2018 5:17 pm
Posts: 374
Location: Shawnee, OK
I vote solution #2; because that's a very nice (and expensive speaker) (P12N?) which should sound great with the Tramp and the cabinet you built is very nice and it's fairly easy (and cheaper than another speaker) to relocate and re-cover the baffle with grille cloth.

_________________
"The only problem with being retired is you never get a day off"


Top
 Profile  
 
PostPosted: Mon Jan 06, 2020 6:53 pm 
Offline
Expert
Expert

Joined: Sat Dec 04, 2010 3:42 pm
Posts: 519
Location: Qualicum Beach, BC
Yes, reverse the baffle if that gives you the clearance you need. Maybe even make a new baffle if that's what it takes to get the speaker in the place you want it.

Nice job on the amp! Glad it's working well and thanks for posting all the detailed pictures.


Top
 Profile  
 
PostPosted: Tue Jan 07, 2020 5:10 pm 
Offline
Friend
Friend

Joined: Fri Aug 16, 2019 4:17 pm
Posts: 38
Location: Detroit, MI, USA
Thanks Hankules and Mitch for weighing in. Hankules you have a good eye... it's a Blackbird, which I believe is a close cousin of the P12N. And giving credit where it's due, it's a Mojotone cabinet... I just laquered it. :)

I decided to make a new baffle, which means a delay waiting for grill cloth. In the meantime I've installed an Eminence Cannabis Rex that I have from the days when I was making friends with my Blues Jr. The Eminence speaker fits fine. Here's a photo showing the speaker-to-tube clearance, as well as labeling changes on the chassis.
Attachment:
File comment: Temporarily installing a smaller speaker...
clearance.jpg
clearance.jpg [ 156.01 KiB | Viewed 17314 times ]

The bias labels reflect the 3-way bias mod I built into the amp (described in my Jan 1 post). Once I get a few more tubes I'll check biases to make sure the labels make sense.

The impedance label reflects the decision not to include the "load" switch. I left it out because of reports on this forum that it tends to arc when playing flat out. As far as I understand, it's the ratio of turns in the primary and secondary that matters, so instead of switching the tube to the 2.5k primary winding, it should be OK to instead switch (for example) an 8 Ohm speaker to the 16 Ohm secondary tap. Similarly, you could get a 2.5k primary impedance by putting a 4 Ohm speaker on the 8 Ohm secondary tap. That sounds confusing and easy to forget, so I printed up a label to make it simple.

There are a couple of other minor nits with the fit between the Mojotone cabinet and the tramp chassis. For example, the vent slots on the rear cover don't match up well.
Attachment:
File comment: Vent slots...
rearOfCombo.jpg
rearOfCombo.jpg [ 473.63 KiB | Viewed 17314 times ]

[Edit: I suppose this isn't so minor if there are kids or pets around. I guess I'll make a new rear cover, too]

Overall, though I'm very happy with the appearance of the amp.
Attachment:
frontOfCombo.jpg
frontOfCombo.jpg [ 113.55 KiB | Viewed 17314 times ]


Last edited by lighthouse on Tue Jan 07, 2020 5:33 pm, edited 1 time in total.

Top
 Profile  
 
PostPosted: Tue Jan 07, 2020 5:25 pm 
Offline
Friend
Friend

Joined: Fri Aug 16, 2019 4:17 pm
Posts: 38
Location: Detroit, MI, USA
I had some time this morning before work to play with the amp. It sounds great. I especially like the way it sounds when it's just starting to break up in tweed mode.

I expected the amp to have quite a bit more gain, though, and I wonder if something's wrong. With my strat (i.e., low-gain single coil pickups) plugged straight into the amp, in tweed/skinny mode with all controls dimed (including the volume knob on the guitar) the sound is still quite clean. It doesn't break up at all, even when I play quite hard. OTOH, this is the first amp I've played that has only one preamp tube, so maybe I'm expecting too much.

To make things more quantitative, I put a 10 mV RMS 1 kHz sine wave on the input. With gain, volume, and power knobs at max, and with both tone controls at noon, the output signal at the speaker terminals was 767 mV RMS.

This is quite a bit less than I'm used to on other amps. On the Blues Jr, for example, output is more like 1.8V, with all controls at noon.

Stephan, do you have some design voltages I can use to trace the signal through the various gain stages and make sure all is good? I have the DC voltages that are printed on the schematic, but maybe there are some expected AC signal levels?

Alternatively, could someone else with a Tramp and a strat plug straight in and tell me how it sounds?

Thanks for any help!


Top
 Profile  
 
PostPosted: Tue Jan 07, 2020 7:16 pm 
Offline
Experienced
Experienced

Joined: Wed Sep 12, 2018 5:17 pm
Posts: 374
Location: Shawnee, OK
LH, per Stephen's specs, 6W with 6V6 and up to 12W "with larger octal tubes". Stephen's philosophy, I believe (and Stephen, correct me if I'm wrong), is that if you want a bigger sound, you run it through a PA in larger venues since the amp is so clean and that it has sufficient power in smaller venues and in the studio. A semi-pro tried one of mine with a Tele and closed cab out in a small outdoor venue and said it sounded great and would be great in the studio, but didn't let him stand out in the live mix. Your open back cabinet helps some with better speaker efficiency, however, since it's a single ended amp I think you're limited to less than half of the OT transformer's output.

_________________
"The only problem with being retired is you never get a day off"


Top
 Profile  
 
PostPosted: Tue Jan 07, 2020 8:50 pm 
Offline
Friend
Friend

Joined: Fri Aug 16, 2019 4:17 pm
Posts: 38
Location: Detroit, MI, USA
Thanks for this response! I'm not at all worried about 6W being enough (especially with an efficient speaker like the blackbird or the cannabis rex). Just that the gain through the amp isn't as much as I expected. In order to drive the amp hard enough to overdrive it at all, I have to give it a much bigger input signal than my guitar alone can provide. I don't know what's normal for this amp, though. Note that I can get some overdrive if I turn the VRM way down.


Top
 Profile  
 
Display posts from previous:  Sort by  
Post new topic Reply to topic  [ 53 posts ]  Go to page Previous  1, 2, 3  Next

All times are UTC - 5 hours [ DST ]


Who is online

Users browsing this forum: No registered users and 20 guests


You cannot post new topics in this forum
You cannot reply to topics in this forum
You cannot edit your posts in this forum
You cannot delete your posts in this forum
You cannot post attachments in this forum

Search for:
Jump to:  
Powered by phpBB® Forum Software © phpBB Group