trinityamps.com

Trinity Amps Guitar Amp Forum
It is currently Tue Jan 20, 2026 1:34 am

All times are UTC - 5 hours [ DST ]




Post new topic Reply to topic  [ 58 posts ]  Go to page Previous  1, 2, 3  Next
Author Message
PostPosted: Mon Apr 11, 2011 10:59 pm 
Offline
Novice
Novice

Joined: Wed Mar 30, 2011 8:39 am
Posts: 59
Casey4s wrote:
Dave and Gotie,

Those are both two very fine examples of great looking craftsmanship. I like both of the natural finishes, but i usually use Bullseye Amber for this kind of thing to bring out the woods grain.

Since these are natural cabinets, in my opinion a grille cloth with more "Earthy" colors might look better like the Fender BrownFace grilles, Oxblood or Wheat. Or they would both would look cool (again...my opinion) with woven Cane, (wicker) grilles.


Thank you Casey. If the aged cloth I ordered doesn't look good when I receive it, I will go for an Earthy color.

The shellac I used in this case is Bullseye amber, made by Zinsser. Very easy to apply and fast drying. It really helped to bring out the wood grain.

Taz: I guess I'll leave it as it is without protecting coat and will put my beer bottle elsewhere. :P


Top
 Profile  
 
PostPosted: Mon Apr 11, 2011 11:14 pm 
Offline
Holy Ghost
Holy Ghost
User avatar

Joined: Sun Mar 13, 2005 4:10 pm
Posts: 7519
Location: Canada
Nice job. It's always nice to see how people finish these off. An cane grill would look nice.

_________________
Stephen
Web: www.trinityamps.com. Facebook: facebook.com/trinityamps. Twitter: @trinityamps


Top
 Profile  
 
PostPosted: Tue Apr 12, 2011 4:06 pm 
Offline
Friend
Friend

Joined: Thu Mar 10, 2011 10:12 am
Posts: 23
Location: Woodbridge, VA
coco wrote:
Nice job. It's always nice to see how people finish these off. An cane grill would look nice.



I stain the Woven Cane with 50/50 Amber schellac and denatured alcohol, it dries fast and gives a cool patina to the cane. I did finish one with just matt poly spray which looked OK but had no color. Cane grilles look terrific with Brownface Tolex too.


Top
 Profile  
 
PostPosted: Tue Apr 12, 2011 5:19 pm 
Offline
Novice
Novice

Joined: Wed Mar 30, 2011 8:39 am
Posts: 59
Here are a few pics of the aged blue white silver grill cloth I have just received. I put it next to my cabinet to see what it would look like. I have never seen such a cloth color/cabinet color combination, but I like it.


Attachments:
Tramp 30.jpg
Tramp 30.jpg [ 518.24 KiB | Viewed 19253 times ]
Tramp 31.jpg
Tramp 31.jpg [ 441.73 KiB | Viewed 19253 times ]
Tramp 32.jpg
Tramp 32.jpg [ 461.44 KiB | Viewed 19253 times ]
Top
 Profile  
 
PostPosted: Wed Apr 13, 2011 1:25 pm 
Offline
Friend
Friend

Joined: Thu Mar 10, 2011 10:12 am
Posts: 23
Location: Woodbridge, VA
Nice looking job Gotie,

The Silver cloth looks better than I would have thought, TBH :thumbsup:

I still like the "earthy " colors on natural woods, but what is important is that you like this and it represents your vision of how your cab should look. That's what DIY is about.

I am looking forward to seeing the finished cabinet.


Top
 Profile  
 
PostPosted: Tue Apr 26, 2011 11:14 pm 
Offline
Novice
Novice

Joined: Wed Mar 30, 2011 8:39 am
Posts: 59
Casey4s wrote:
Nice looking job Gotie,

The Silver cloth looks better than I would have thought, TBH :thumbsup:

I still like the "earthy " colors on natural woods, but what is important is that you like this and it represents your vision of how your cab should look. That's what DIY is about.

I am looking forward to seeing the finished cabinet.


Thank you Casey. Here are two pictures taken today of the finished cabinet, minus the speaker and amplifier.

Edited to say that the grill cloth is a little off horizontal in these pics. This has since been corrected.


Attachments:
Tramp 45.jpg
Tramp 45.jpg [ 505.97 KiB | Viewed 19203 times ]
Tramp 44.jpg
Tramp 44.jpg [ 438.17 KiB | Viewed 19203 times ]


Last edited by gotie on Thu May 26, 2011 1:36 pm, edited 1 time in total.
Top
 Profile  
 
PostPosted: Thu Apr 28, 2011 11:27 am 
Offline
Friend
Friend

Joined: Sun Feb 13, 2011 9:15 am
Posts: 31
Location: Manitoba
gotie wrote:
Casey4s wrote:
Nice looking job Gotie,

The Silver cloth looks better than I would have thought, TBH :thumbsup:

I still like the "earthy " colors on natural woods, but what is important is that you like this and it represents your vision of how your cab should look. That's what DIY is about.

I am looking forward to seeing the finished cabinet.


Thank you Casey. Here are two pictures taken today of the finished cabinet, minus the speaker and amplifier.



Looks great.


Top
 Profile  
 
PostPosted: Thu Apr 28, 2011 11:34 am 
Offline
Friend
Friend

Joined: Sun Feb 13, 2011 9:15 am
Posts: 31
Location: Manitoba
Finished my cabinet with speaker installed. The speaker I installed is a WGS G10C - 8. The speaker cloth is " Fender Style Oxblood with Gold Stripe". My tramp kit should arrive any day now, then I will start on that. Getting closer to completion :)


Attachments:
023.JPG
023.JPG [ 643.55 KiB | Viewed 19184 times ]
021.JPG
021.JPG [ 651.21 KiB | Viewed 19184 times ]
File comment: This is the cabinet with a telecaster I made this winter.
018.JPG
018.JPG [ 696.31 KiB | Viewed 19184 times ]
Top
 Profile  
 
PostPosted: Fri Apr 29, 2011 10:45 pm 
Offline
Novice
Novice

Joined: Wed Mar 30, 2011 8:39 am
Posts: 59
Great looking cabinet Dave.

Oxblood is a good choice for your grill cloth.

Keep us posted as you complete the build.


Top
 Profile  
 
PostPosted: Wed May 25, 2011 9:22 pm 
Offline
Friend
Friend

Joined: Sun Feb 13, 2011 9:15 am
Posts: 31
Location: Manitoba
Slowly working on the tramp kit, but have a few questions. In the attached pic, my drawing shows the yellow and pinkish wires, that I have indicated with a black line, as black shielded cable. The drawings I received obviously are out dated. The pic is of the latest posted drawing. Which one is correct.

Thanks


Attachments:
yellow and pink wires.jpg
yellow and pink wires.jpg [ 68.8 KiB | Viewed 19045 times ]
Top
 Profile  
 
PostPosted: Wed May 25, 2011 9:59 pm 
Offline
Expert
Expert
User avatar

Joined: Sun Feb 17, 2008 4:47 pm
Posts: 960
Location: Toronto, Canada.
Those wires are now shielded.

The amp will work either way but the shielded cable will help with noise and make the amp more stable.

_________________
http://pdfelectronics.com


Top
 Profile  
 
PostPosted: Wed May 25, 2011 10:11 pm 
Offline
Friend
Friend

Joined: Sun Feb 13, 2011 9:15 am
Posts: 31
Location: Manitoba
kurtlives wrote:
Those wires are now shielded.

The amp will work either way but the shielded cable will help with noise and make the amp more stable.


Thanks kurtlives. So the tramp drawing that is posted in the "tramp resources" is an older drawing?


Top
 Profile  
 
PostPosted: Wed May 25, 2011 11:08 pm 
Offline
Holy Ghost
Holy Ghost
User avatar

Joined: Sun Mar 13, 2005 4:10 pm
Posts: 7519
Location: Canada
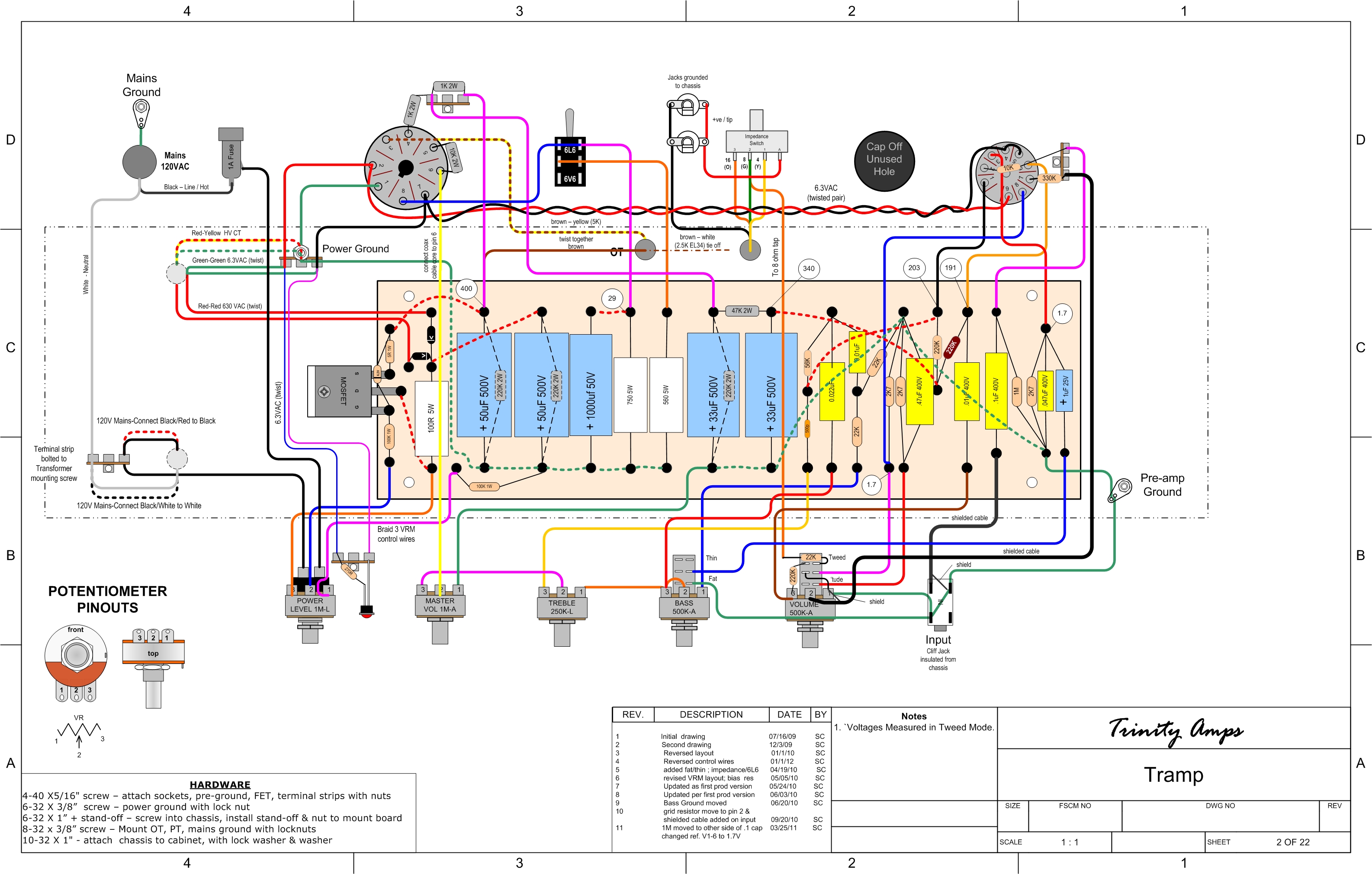
Shield the line from the input jack to the board. The other to the terminal strip is less suceptible to noise.

Use this updated Layout (now shipping with all kits)

Attachment:
Tramp_18Apr11.jpg
Tramp_18Apr11.jpg [ 1.48 MiB | Viewed 19037 times ]

_________________
Stephen
Web: www.trinityamps.com. Facebook: facebook.com/trinityamps. Twitter: @trinityamps


Top
 Profile  
 
PostPosted: Thu May 26, 2011 1:32 pm 
Offline
Novice
Novice

Joined: Wed Mar 30, 2011 8:39 am
Posts: 59
coco wrote:
Shield the line from the input jack to the board. The other to the terminal strip is less suceptible to noise.

Use this updated Layout (now shipping with all kits)

Attachment:
Tramp_18Apr11.jpg


Oops, I used unshielded wire from the input jack to the board. :oops:

Works fine though and I don't find it noisy.

The sound coming from it is so good and musical that once I start using it I don't want to stop.

May I leave it like that or should I change the wire for a shielded one?


Top
 Profile  
 
PostPosted: Thu May 26, 2011 2:01 pm 
Offline
Experienced
Experienced
User avatar

Joined: Fri Sep 18, 2009 9:24 pm
Posts: 264
Location: Thompson, Mb
Quote:
The sound coming from it is so good and musical that once I start using it I don't want to stop.

May I leave it like that or should I change the wire for a shielded one?


Its working fine and you like it, leave it. Its not critical to operation. Mines the same, although the cfls in the area are shut off when we play as they add noise to everything.

_________________
Fantasy Noise is what my shop of dreams is called and was the only way to beat my addiction, like many here I suffer from G.A.S.


Tele's make the best noise


Top
 Profile  
 
PostPosted: Thu May 26, 2011 7:22 pm 
Offline
Novice
Novice

Joined: Wed Mar 30, 2011 8:39 am
Posts: 59
Thanks Taz.

I'll leave it like it is.

I use the Tramp only in my home, so I presume there is not many interference from things (lighting, electrical equipment) that could cause noise.


Top
 Profile  
 
PostPosted: Sun May 29, 2011 7:42 am 
Offline
Friend
Friend

Joined: Sun Feb 13, 2011 9:15 am
Posts: 31
Location: Manitoba
I hate to be a pain, but I have another question if anyone can help. In the attached pic from the newest posted drawing for the tramp, there is a 220k risistor soldered under the board with the 33uf cap.

The drawings that came with my kit a few weeks ago, the date posted on them is 09/20/10, shows there is no resistor there.

I just want to confirm that a 220k resistor is installed under the board at this spot, because it would be a real pain to remove it after the board is installed if it does not belong there,, :)

Thanks,


Attachments:
resistor.jpg
resistor.jpg [ 117.38 KiB | Viewed 18996 times ]
Top
 Profile  
 
PostPosted: Sun May 29, 2011 8:29 pm 
Offline
Novice
Novice

Joined: Wed Mar 30, 2011 8:39 am
Posts: 59
I pretty sure it goes under the board.

There is no space for it above board.


Top
 Profile  
 
PostPosted: Sun May 29, 2011 11:00 pm 
Offline
Friend
Friend

Joined: Sun Feb 13, 2011 9:15 am
Posts: 31
Location: Manitoba
gotie wrote:
I pretty sure it goes under the board.

There is no space for it above board.



Thanks gotie, I would just like to confirm that the 220k resistor does go here?


Top
 Profile  
 
PostPosted: Mon May 30, 2011 1:19 am 
Offline
Novice
Novice

Joined: Wed Mar 30, 2011 8:39 am
Posts: 59
Dave, I checked the coloured drawing that I received with my kit and I find no resistor there. The date is the same as yours, 09/20/10.

Since the build on my amp is finished, it is possible that this resistor has not been installed on my amp.

However, I have also used the newer drawing (03/25/11, Rev. 11) during part of the build. The 220K resistor is visible on that one, but I don't remember if I noticed it.

Better to wait for someone more experienced to give us an answer on that.

My Tramp build is finished and runs fine, so what effect this resistor has on the running of the amp, I don't know but would like to know.


Top
 Profile  
 
Display posts from previous:  Sort by  
Post new topic Reply to topic  [ 58 posts ]  Go to page Previous  1, 2, 3  Next

All times are UTC - 5 hours [ DST ]


Who is online

Users browsing this forum: No registered users and 15 guests


You cannot post new topics in this forum
You cannot reply to topics in this forum
You cannot edit your posts in this forum
You cannot delete your posts in this forum
You cannot post attachments in this forum

Search for:
Jump to:  
cron
Powered by phpBB® Forum Software © phpBB Group