trinityamps.com

Trinity Amps Guitar Amp Forum
It is currently Wed Nov 19, 2025 6:38 am

All times are UTC - 5 hours [ DST ]




Post new topic Reply to topic  [ 6 posts ] 
Author Message
PostPosted: Wed Jul 27, 2016 5:16 pm 
Offline

Joined: Mon Jul 25, 2016 4:11 pm
Posts: 4
Hey guys. I'm new the forum. I just ordered a Tweed kit and am acxiously awaiting it's arrival. This will be my 1st amp build (even though I used to help my dad build Heathkit stereo amps when I was much younger) so I will have a lot of questions for this community. I have been reading the documentation and have a few questions so far:

1. Looking at Mitch's and Olivia's pictures, as well as the picture on page 45 of the Builders guide, on the input jacks, all 3 sources show the 1M resisters on the two input jacks on the top row, whereas the Layout drawing shows the 1M resistors on the bottom row of input jacks. Which is correct?

2. Reference the coax cable that goes from the 12AX7 to the normal volume pot, I understand that coax is used because the cable run is very succeptable to noise. I see in the photos that many people bend that cable so that it hugs the chassis on the bottom. In order to keep this cable as short as possible to keep the noise to a minimum, wouldn't it make sense to "fly" that cable directly across the chassis to reduce the cable length as much as possible?

Thanks for all the posts and the pictures that have been posted to date. All this info has been very helpful to me as I am getting ready for my build.

Mark


Top
 Profile  
 
PostPosted: Wed Jul 27, 2016 8:48 pm 
Offline
Expert
Expert

Joined: Sat Dec 04, 2010 3:42 pm
Posts: 519
Location: Qualicum Beach, BC
Hi Mark.

Welcome to the forum!

Our input jack pictures, the picture on page 45 of the builder's guide and the layout drawing all show the 1M resistors on the "top" row. It could be considered the "bottom" row too, since the chassis is upside down in all the pictures.

Anyway, everything shows the resistors wired to the HI input jacks. The schematic shows them that way, too.

The layout drawing shows the chassis as if it was flipped upside down and the front and rear panels were bent flat. Therefore on the front panel the lip of the chassis is at the top, and on the rear panel the lip is at the bottom.

You could fly the shielded cable over the top of the board if you want. It wouldn't shorten the length enough to have a significant effect, though. The amp's noise level is pretty low as it is. Keeping the cable close to the chassis means less chance of it moving around and breaking loose during the build or in the future.


Top
 Profile  
 
PostPosted: Wed Jul 27, 2016 9:42 pm 
Offline

Joined: Mon Jul 25, 2016 4:11 pm
Posts: 4
Thanks for the response Mitch. As you can see from the picture, the layout diagram is different than the layout on page 61 of the Builders Guide. That's why I am confused?


Attachments:
Screenshot_2016-07-27-20-33-51.png
Screenshot_2016-07-27-20-33-51.png [ 453.67 KiB | Viewed 11139 times ]
Top
 Profile  
 
PostPosted: Thu Jul 28, 2016 12:32 am 
Offline
Expert
Expert

Joined: Sat Dec 04, 2010 3:42 pm
Posts: 519
Location: Qualicum Beach, BC
I didn't see that drawing. I was looking at the layout available in the Resources section here and also my builder's guide which is about 3 years old.

The layout you showed has the same wiring as the older ones but the physical placement of the HI and LO jacks is reversed. You can use either version.


Top
 Profile  
 
PostPosted: Thu Jul 28, 2016 11:15 am 
Offline
Holy Ghost
Holy Ghost
User avatar

Joined: Sun Mar 13, 2005 4:10 pm
Posts: 7519
Location: Canada
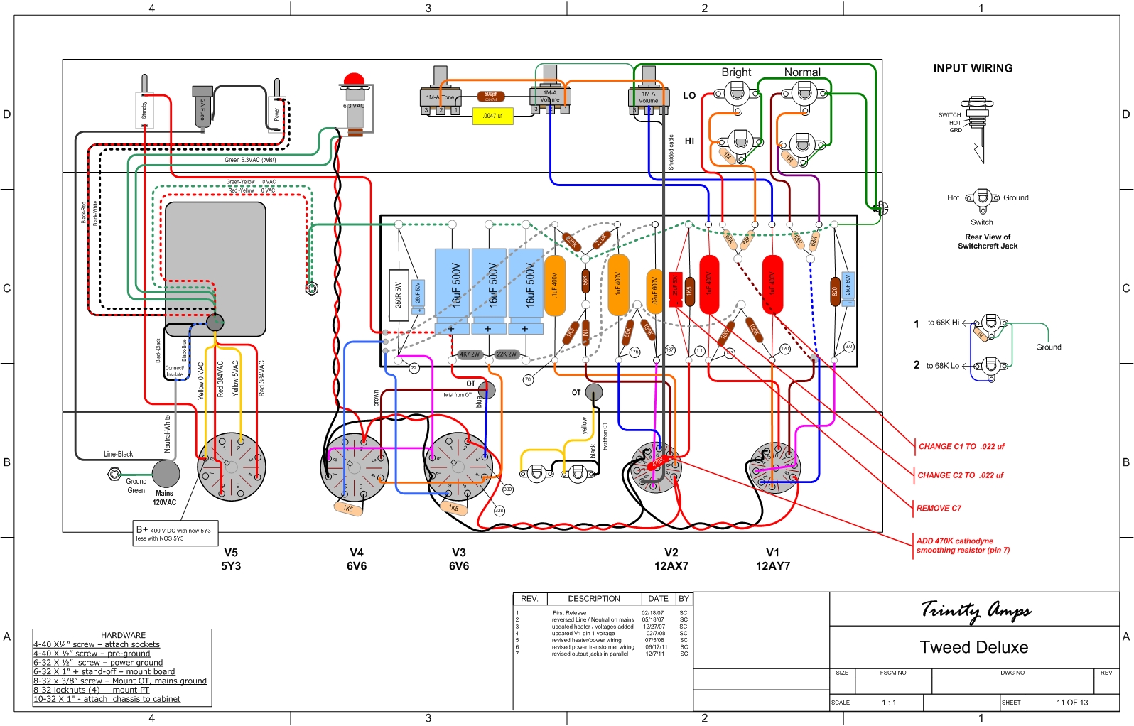
The newest revision of chassis labels the inputs HI & LO. This is a change. The new printed layout is correct but clearly the manual has just now been updated to reflect the change!!

Sorry for the confusion.

Attachment:
Tweed Mods.jpg
Tweed Mods.jpg [ 637.04 KiB | Viewed 11128 times ]

_________________
Stephen
Web: www.trinityamps.com. Facebook: facebook.com/trinityamps. Twitter: @trinityamps


Top
 Profile  
 
PostPosted: Thu Jul 28, 2016 11:16 am 
Offline
Holy Ghost
Holy Ghost
User avatar

Joined: Sun Mar 13, 2005 4:10 pm
Posts: 7519
Location: Canada
MarkMac wrote:
2. Reference the coax cable that goes from the 12AX7 to the normal volume pot, I understand that coax is used because the cable run is very succeptable to noise. I see in the photos that many people bend that cable so that it hugs the chassis on the bottom. In order to keep this cable as short as possible to keep the noise to a minimum, wouldn't it make sense to "fly" that cable directly across the chassis to reduce the cable length as much as possible?
Mark


Yes!! :thumbsup:

_________________
Stephen
Web: www.trinityamps.com. Facebook: facebook.com/trinityamps. Twitter: @trinityamps


Top
 Profile  
 
Display posts from previous:  Sort by  
Post new topic Reply to topic  [ 6 posts ] 

All times are UTC - 5 hours [ DST ]


Who is online

Users browsing this forum: No registered users and 27 guests


You cannot post new topics in this forum
You cannot reply to topics in this forum
You cannot edit your posts in this forum
You cannot delete your posts in this forum
You cannot post attachments in this forum

Search for:
Jump to:  
Powered by phpBB® Forum Software © phpBB Group