trinityamps.com

Trinity Amps Guitar Amp Forum
It is currently Tue Feb 24, 2026 4:09 am

All times are UTC - 5 hours [ DST ]




Post new topic Reply to topic  [ 22 posts ]  Go to page 1, 2  Next
Author Message
PostPosted: Mon May 12, 2014 12:49 am 
Offline
Experienced
Experienced
User avatar

Joined: Tue Mar 25, 2014 3:55 pm
Posts: 214
Location: Central California
Well, I decided that instead of trying to do a sidechain reverb that I would build a stand-alone reverb unit.

I was going to do the old standby Fender 6G15, which uses two 12A_7's for gain, recovery and mixing isolation and a single-ended 6K6 that drives the reverb tank.

Then I discovered a circuit in a book that I have that uses a single 12AX7 triode for both the gain and isolation to the blend pot (via cathode follower). The other triode is the recovery stage after the tank that feeds the tone pot and then the blend pot. To drive the tank, it used a 12AT7 wired in parallel (just like the first stage in the 12AX7 channel of the TC-15) as a single-ended output stage.

Then I discovered the Firefly low-wattage amp over at AX84 that uses a self-splitting 12AT7 in class-A push-pull configuration. It hit me that I could probably combine the two into a single package. So, I set out designing it... I basically used the first circuit from the book I have and replaced the SE output with the push-pull and power supply circuit of the Firefly. The result... It sounds absolutely amazing. With the dwell control, I can get everything from subtle verb to surf's-up with the turn of a knob. The tone control lets me color the reverb from dark to sparkly-bright and the blend knob lets me get the perfect... well, blend. This configuration is really nice because the dwell stays nice and clean right up to just before the end of its range where it starts to break-up with a nice overdrive, but at that point the reverb is so "big" that it's unusable anyways.

I haven't actually tried it on the TC yet, I let my Classic 30 be the potential sacrificial lamb on power-up... :lol:

I do have to track down a really bad buzz :bugeye: probably a ground loop issue :oops: but when I get that resolved, this thing will be awesome. When it's all buttoned down I'll post pics and some clips with my TC-15. Only powered it up for the first time about an hour ago.


Top
 Profile  
 
PostPosted: Mon May 12, 2014 6:01 pm 
Offline
Holy Ghost
Holy Ghost
User avatar

Joined: Sun Mar 13, 2005 4:10 pm
Posts: 7519
Location: Canada
I would be very interested in the details of your reverb unit. Please keep the posts coming.
What book was it in?

_________________
Stephen
Web: www.trinityamps.com. Facebook: facebook.com/trinityamps. Twitter: @trinityamps


Top
 Profile  
 
PostPosted: Mon May 12, 2014 8:36 pm 
Offline
Experienced
Experienced
User avatar

Joined: Tue Mar 25, 2014 3:55 pm
Posts: 214
Location: Central California
The book was KOC's Tonnes of Tone.

I also discovered another problem... I am red plating the 12AT7. So, I think I have my shared cathode-resistor wrong. Do you think this could be the cause? Now that I think of it, the Firefly uses a 12AU7 as the power tubes so if I just copied that Rk value over, it could very well be very wrong. I did some napkin calcs of a correct value and came up with an Rk of 325R, based on 265v drawing 8mA and a grid voltage of about 2.6v. So, if I was using a shared resistor, I would want about a 163R resistor? That seems low to me. Did I calc this correctly?

My heater voltages are also at about 6.7v so I think I will rewire the PT to use the 115v primary instead of the 125v and see what happens.


Top
 Profile  
 
PostPosted: Mon May 12, 2014 8:56 pm 
Offline
Holy Ghost
Holy Ghost
User avatar

Joined: Sun Mar 13, 2005 4:10 pm
Posts: 7519
Location: Canada
The firefly uses 440R on the shared cathode for a 12AU7. I would go with that value or something close.

_________________
Stephen
Web: www.trinityamps.com. Facebook: facebook.com/trinityamps. Twitter: @trinityamps


Top
 Profile  
 
PostPosted: Mon May 12, 2014 9:40 pm 
Offline
Expert
Expert
User avatar

Joined: Sun Feb 17, 2008 4:47 pm
Posts: 960
Location: Toronto, Canada.
Would be very interested in a schematic.

So I take it you are running this in "front" of the amp?

_________________
http://pdfelectronics.com


Top
 Profile  
 
PostPosted: Mon May 12, 2014 10:43 pm 
Offline
Experienced
Experienced
User avatar

Joined: Tue Mar 25, 2014 3:55 pm
Posts: 214
Location: Central California
Yeah I used a 470. If it is red plating I want to go UP in value right? That's what confuses me about my calculations which indicate I should go down.

I'll definitely share a schematic once I sort this issue out.

And yes, it runs in front of the amp.

I also wish I had a way to easily try out different tanks. Currently I am running a MOD two spring long decay 16-inch tank. I'm thinking maybe a medium delay might suit my tastes more.


Top
 Profile  
 
PostPosted: Mon May 12, 2014 10:59 pm 
Offline
Experienced
Experienced
User avatar

Joined: Tue Mar 25, 2014 3:55 pm
Posts: 214
Location: Central California
Oh and I fixed the ground-loop issue. That was easy... I forgot to ground the 100R resistors in the faux center tap on the heater windings! :oops: It actually occurred to me at work today that I should check that and when I got home, sure enough, it was missing.


Top
 Profile  
 
PostPosted: Tue May 13, 2014 9:18 pm 
Offline
Experienced
Experienced
User avatar

Joined: Tue Mar 25, 2014 3:55 pm
Posts: 214
Location: Central California
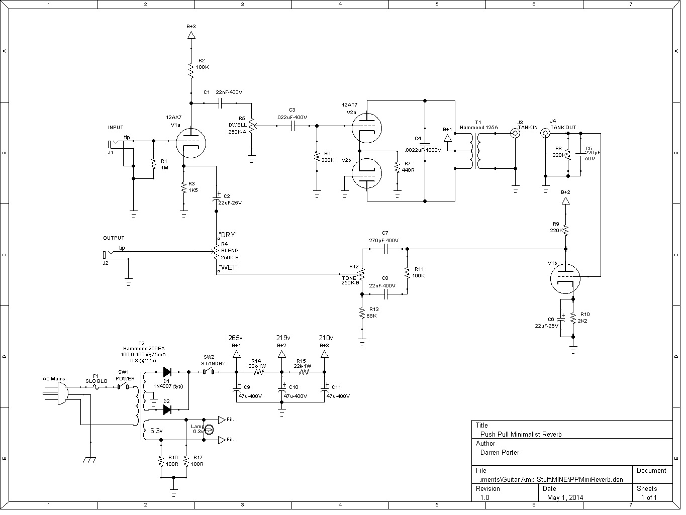
... and here is the schematic. Interested in your thoughts. All forms of criticism are welcome. I'd love to hear from the masters about your ideas to improve it.

Also, I am assuming the parallel RC circuit coming from the reverb tank output (R8 & C5) is a high-pass filter? The cap C4 across the T1 primaries cuts down on some harshness? Oh, and R7 is actually 470R in my build and T1 is wired for 22.5k primaries (leads 2 & 4.)

I am also looking at further modding it to use a modified Schmitt splitter instead of the current self-splitting design. I guess technically they are both a form of transformer-loaded LTPI. I'm not sure what the new design would buy me except that it is used successfully in some commercial products while being a little more complicated/more parts. Basically, I'm talking about maybe using the PP reverb driver in KOC's TUT2. He does not go into any detail about the circuit at all really, so I don't know the advantages/disadvantages to this current design other than the number of parts.


Attachments:
File comment: The nitty-gritty details...
PPMiniReverb.jpg
PPMiniReverb.jpg [ 178.48 KiB | Viewed 40093 times ]
Top
 Profile  
 
PostPosted: Tue May 13, 2014 10:01 pm 
Offline
Expert
Expert
User avatar

Joined: Sun Feb 17, 2008 4:47 pm
Posts: 960
Location: Toronto, Canada.
Very interesting design. I'd like to hear this :D

Yes R8 and C5 are just removing some highs. C4 is also a form of NFB to remove highs, you see that cap on many longtail PI designs.

What do you think a different driver stage would offer tonally? Just trying to understand why your thinking of changing a kinda odd design even more.

_________________
http://pdfelectronics.com


Top
 Profile  
 
PostPosted: Tue May 13, 2014 11:59 pm 
Offline
Experienced
Experienced
User avatar

Joined: Tue Mar 25, 2014 3:55 pm
Posts: 214
Location: Central California
I'm not sure what a different driver stage would do to be honest. Just would like to try it and see. Would be a great learning experience for me.

I was originally going to build the simple design in Tonnes of Tone where O'Connor basically has this same two-tube circuit except the driver stage is a parallel single-ended 12AT7 driving a Fender replacement reverb transformer. I came up with this idea after reading online that a few people have tried P-P drivers for reverb and like it a lot more than the typical Fender single-ended design with the pentode in the 6G15 or parallel 12AT7 in their combo amps. That piqued my interest and I pitched the idea on AX84.com where someone pointed me to the FireFly design, from which I lifted the self-split push-pull part of my schematic. I put the two together, did some minor tweaking and the result is the posted schematic.

I have yet to see anywhere where someone has been forthcoming in actually producing a schematic of their p-p reverb design though, other than the little snippet of just the Schmitt splitter, 12AT7 and transformer that O'Connor has in The Ultimate Tone Vol 2. There is a good writeup on the different LTPI variants in Blencoe's book and I need to dig into that a little deeper, but since getting sick a couple years ago, most days I have to read technical stuff like this ten or twelve times for it to sink in and sometimes at the rate of only a paragraph or two a night. When school is out and summer break starts it will be easier going for me in that department.

I did email O'Connor about his TUT2 design and he cleared a couple things up for me. He alluded to the fact that his PP design is very similar to vintage PA system reverb driver designs, so that is another avenue I am going to look into but my initial searches have not found any schematics yet, admittedly I have not looked very hard yet though. he seemed to not want to go into a whole lot of detail, probably because he sells this design as a kit on his website and he wants to drive those sales which I can't begrudge him for trying to make a living off his hard work. He gave me enough info to certainly point me in the direction of where I should look for more answers.

Maybe I should look into the history of spring and/or plate reverb and see how these designs came about from the start.

I also plugged the OT directly into an 8-ohm speaker. It wasn't very loud, but it did stay clean right up to end of the dwell range with humbuckers where it produced a mild overdrive and it stayed clean throughout with single-coils. Sounded kinda flat alone but sounded pretty fair with a home-built Tube Screamer pedal.


Top
 Profile  
 
PostPosted: Wed May 14, 2014 3:37 pm 
Offline
Holy Ghost
Holy Ghost
User avatar

Joined: Sun Mar 13, 2005 4:10 pm
Posts: 7519
Location: Canada
Very interesting. I'll take a look over it. I can see the FireFly within!

_________________
Stephen
Web: www.trinityamps.com. Facebook: facebook.com/trinityamps. Twitter: @trinityamps


Top
 Profile  
 
PostPosted: Wed May 14, 2014 4:54 pm 
Offline
Experienced
Experienced
User avatar

Joined: Tue Mar 25, 2014 3:55 pm
Posts: 214
Location: Central California
Thanks Stephen. I would love to hear what you think I can do to improve it.

And by the way, every time I play my TC15 I walk away loving it even more. Wow you can really coax some serious gain out of it bridging the channels! Sounds absolutely amazing. I need to hurry up and make an ABY footswitch for it! An ABY paired with a volume pedal for each channel would make for an amazingly flexible tone machine. Hmm... there's my next DIY project I think...


Top
 Profile  
 
PostPosted: Wed May 14, 2014 8:44 pm 
Offline
Experienced
Experienced
User avatar

Joined: Tue Mar 25, 2014 3:55 pm
Posts: 214
Location: Central California
Where would you put a shielded run on this? I put one on the input to V1a grid obviously, and also one from the dwell wiper to the C3 coupling cap. Should I have run one from that cap to the V2a grid as well? Tank output to V1b grid? I am getting a little noise now. Not a lot, but it gets more prevalent as the gain goes up of course.


Top
 Profile  
 
PostPosted: Wed May 14, 2014 8:56 pm 
Offline
Holy Ghost
Holy Ghost
User avatar

Joined: Sun Mar 13, 2005 4:10 pm
Posts: 7519
Location: Canada
Is it still red plating with the 470R resistor on the 12AT7? Is it clean enough for your purposes?

Shield cable to the tank and back and from the input to the grid. From the wiper of Dwell so well. I see you have no grid resistor on V1A in there. Might want to add 33k -10k.

_________________
Stephen
Web: www.trinityamps.com. Facebook: facebook.com/trinityamps. Twitter: @trinityamps


Top
 Profile  
 
PostPosted: Wed May 14, 2014 10:29 pm 
Offline
Experienced
Experienced
User avatar

Joined: Tue Mar 25, 2014 3:55 pm
Posts: 214
Location: Central California
Thanks.

I changed the 470R to a 1k5 and the tube is running much cooler. Seems to have really cleaned it up too. I also get a lot better range of control with the mix knob. Obviously I was biasing the output tube way too hot. Good for a guitar amp like the Firefly not so much for transparent reverb.

I'll try the grid stopper suggestion.

I'm going to mess with the low-pass after the tank return too just to see what happens.

What do you think about the 330k grid leak resistor? I've seen 1M on other parallel 12at7 implementations.


Top
 Profile  
 
PostPosted: Thu May 15, 2014 7:25 am 
Offline
Holy Ghost
Holy Ghost
User avatar

Joined: Sun Mar 13, 2005 4:10 pm
Posts: 7519
Location: Canada
If you increase the grid leak, you will increase the drive to the AT7. (less current running to ground with the higher resistance) You can actually put a 500K pot in there instead of the 330K and run the wiper to the grid. This is an extra volume control.

_________________
Stephen
Web: www.trinityamps.com. Facebook: facebook.com/trinityamps. Twitter: @trinityamps


Top
 Profile  
 
PostPosted: Fri May 16, 2014 1:11 pm 
Offline
Experienced
Experienced
User avatar

Joined: Tue Mar 25, 2014 3:55 pm
Posts: 214
Location: Central California
I had to order some more resistors. I broke down and bought a kit of 820 1/2-watt MF resistors (10 of each value) so I will be able to buid/tweak to my heart's content. Should arrive middle of next week, so I'll let you know how this works out then.


Top
 Profile  
 
PostPosted: Thu May 22, 2014 8:35 pm 
Offline
Experienced
Experienced
User avatar

Joined: Tue Mar 25, 2014 3:55 pm
Posts: 214
Location: Central California
Been tweaking... I like it a LOT better. Got some more shimmer in the reverb - a little less dark now. Also, the red-plating is gone.

Here is what I did:

Bumped the shared Rk on V2 (R7) up to 1K5.

Removed C4 between the output transformer primaries. This added a little more highs back in, but I still thought it was still lacking in this area.

Removed R8 and C5. Ok, now this thing is really coming alive. The reverb "shimmers" more but still has a "darkish" feel to it. Tone knob has more effect on reverb tone. I really like it like this, so I think this is how I will leave the tone-shaping for now.

Added a grid-stopper before V2a. At first I tried adding a 10k, which helped smooth it out a bit. Then I was reading in Merlin Blencowe's book about grid-stoppers and decided to try a 470k in parallel with a 220pF cap to replace some of the highs with such a large value. This really did a lot to bump the gain of the reverb and it is still satisfyingly bright. Really gets a lot more depth to it now, but it distorts slightly at the max range of the dwell... not an issue to me since it will not really be pushed this hard anyways - way too wet for everyday use... has that really cool "Spaghetti Western" low guitar vibe with the dwell maxed and the blend on 100% wet though. 8)

I am still having a grounding issue I think. Would it be safe (as in it won't kill anyone) if I only grounded the power mains to the chassis per normal, removed the chassis ground lug next to the input jack which grounds everything else inside and grounded everything instead through the reverb out cord to the amp input jack? Or would this not even help or actually make it worse? I'm thinking I have a ground loop because the buzz disappears when the blend is turned all the way over to dry. Or does that mean I have a ground loop somewhere in between V1a and the blend knob? Once I can exorcise this demon, I will be ready to record and post some clips!


Top
 Profile  
 
PostPosted: Fri May 23, 2014 12:01 am 
Offline
Holy Ghost
Holy Ghost
User avatar

Joined: Sun Mar 13, 2005 4:10 pm
Posts: 7519
Location: Canada
Any place where there are two paths to ground is a problem. Are your jacks isolated from the chassis?

_________________
Stephen
Web: www.trinityamps.com. Facebook: facebook.com/trinityamps. Twitter: @trinityamps


Top
 Profile  
 
PostPosted: Fri May 23, 2014 12:08 pm 
Offline
Experienced
Experienced
User avatar

Joined: Tue Mar 25, 2014 3:55 pm
Posts: 214
Location: Central California
Yes I am using the plastic insulated Cliff jacks. Currently within the reverb unit itself, there is just the third-prong to chassis for safety and then there is a single chassis ground lug next to the input jack fed from a bus line on the eyelet board. I tried to follow Merlin's scheme in his preamp book: local stars for each valve circuit to main ground buss wire to single ground lug near the input jack.

Is that ground lug causing the loop with the TC15's ground via the patch cable?

Oh wait... maybe my reverb tank jacks are making a connection to the chassis... is there any way I can test to see if that is happening short of desoldering them and using a different type of insulating washer than the flimsy ones they came with and testing the results?

I am still kinda fuzzy on how the tank itself is grounded. Both of the reverb tank jacks are in the ground buss and I am using an RCA cable I bought from AES. It has a third thin wire... should I do something with that? Also, the tank is a 4AB3C1C... the first "C" means the tank's input is "isolated" from the outer chamber and the output is "grounded" to it. Do I need to take that into account on how I wire the jacks to ground?

Thanks for your help on this. I am REALLY learning a LOT. I bought a very cool old metal toolbox at a flea market and I am planning on eventually either moving this reverb unit into that or just building a new one from scratch inside of it.


Top
 Profile  
 
Display posts from previous:  Sort by  
Post new topic Reply to topic  [ 22 posts ]  Go to page 1, 2  Next

All times are UTC - 5 hours [ DST ]


Who is online

Users browsing this forum: No registered users and 12 guests


You cannot post new topics in this forum
You cannot reply to topics in this forum
You cannot edit your posts in this forum
You cannot delete your posts in this forum
You cannot post attachments in this forum

Search for:
Jump to:  
Powered by phpBB® Forum Software © phpBB Group